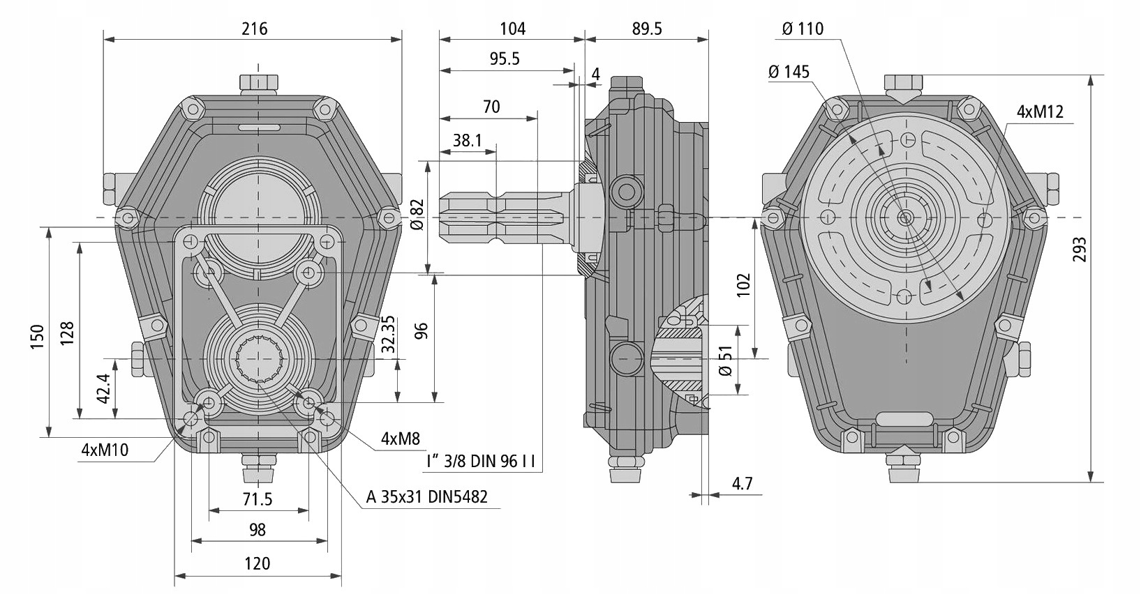
состав комплекта:
- мультипликатор 1: 3.8
- шестеренчатый насос 46 см3
- соединительная муфта
применение:
имеет широкое применение в гидравлических системах в сельском хозяйстве, садоводстве, лесном хозяйстве, строительстве и в широком смысле промышленности .
мощный и эффективный комплект, идеально подходит для небольших и средних лесных машин, строительных машин и тракторов, включая C-330, C-360, C-385, ZETOR, MF и другие, имеющие привод с валом PTO.
используется везде, где оригинальный гидравлический насос, установленный в машине, недостаточно мощный и эффективный, или где требуется дополнительная новая гидравлическая система, необходимая для управления новым установленным оборудованием.
технические характеристики комплекта:
редуктор имеет выступающий вал вом, это решение позволяет приводить трансмиссию в движение различными типами карданных валов или релейных валов.
это решение позволяет закрепить трансмиссию дальше от трактора или другого источника привода ВОМ и разместить ее, например, непосредственно на рабочей машине.п>
