имя:
Быстроразъемный винт с отверстием M22x1. 5 3CFPV
описание:
- номер детали 3cfpv192215f
- технические характеристики-подключение и разъединение происходит путем нажатия или извлечения штекера (управление одной рукой) соответственно
- преимущества-Простота в эксплуатации
- применение-сельскохозяйственная техника-жидкости на основе минерального масла
- свойства-стандартное соединение, широко распространенное в сельском хозяйстве - принцип Push& amp; Pull - функция разрыва-жесткая установка на блок клапана или трубопровод - возможность соединения под давлением со стороны штекера, разъединение под давлением только в случае отказа
- техническая информация-соответствующие штекеры: Faster NV12, Voswinkel SKPM12
- единица искусства
- Материал сталь < Li > набивка NBR / PTFE
- стандарт ISO 7241-a
- температура -25 +125
- давление (бар) макс. 250
- обработка поверхности белый, пассивированный
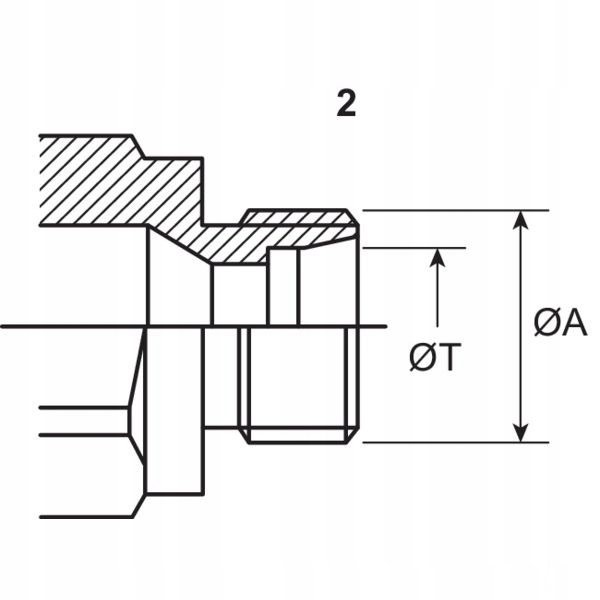
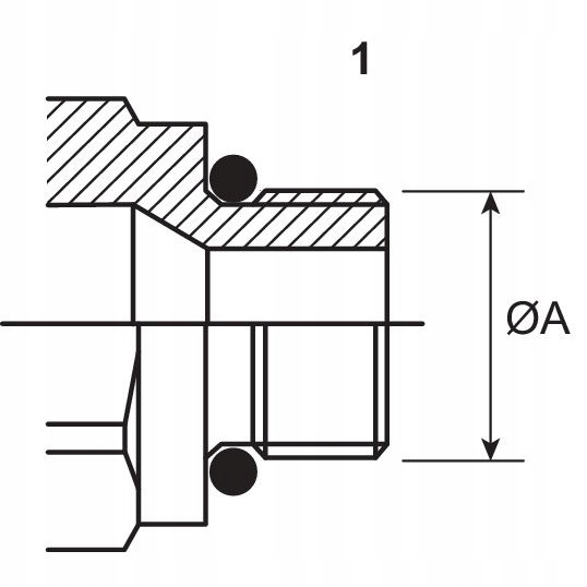
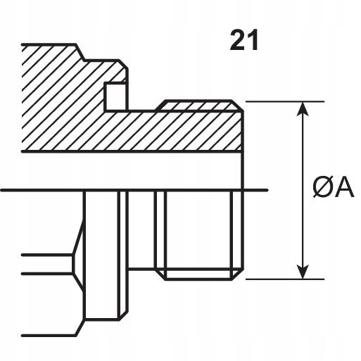
- соединение A M 22 x 1,5, наружная резьба, полый винт
- D (мм) 38
- размер 1/2 "
- Q Макс. (л / мин) 68
- Примечание OEM: Deutz-Fahr, Hürlimann, Lamborghini, же, Steyr
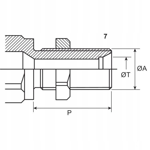
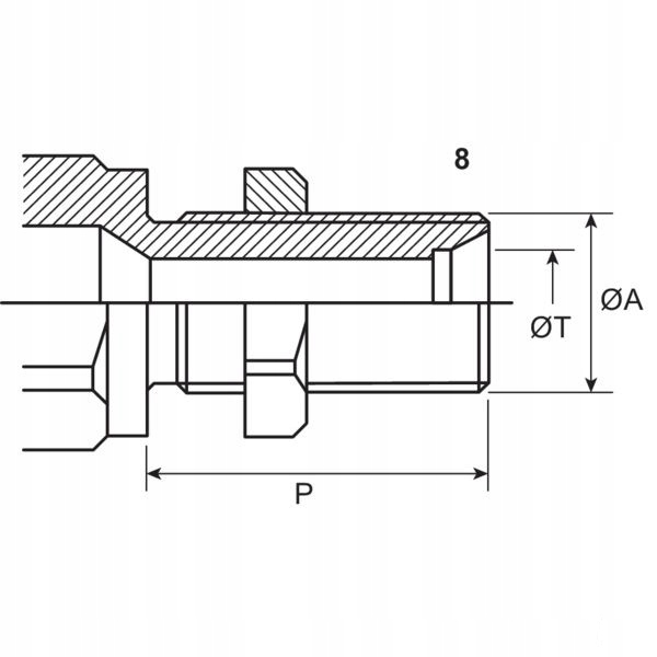
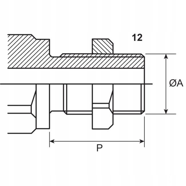
- P (мм) 39
- Луч 19
- L (мм) 156,8
- Макс. рабочее давление (бар) 250
- B (мм) 134,8
- X (мм) 32 улей>
производитель : Faster
