производство:
оригинальный продукт марки Hydrosila Украина, символ: NSZ6-3 MASTER 1.40.00.007
применение:
имеет широкое применение в гидравлических системах в сельском, садовом, лесном, строительном и широко понятной промышленности.
предназначен для работы в системах, где рабочим фактором является гидравлическое масло. Применение очень универсально в промышленности, сельском хозяйстве, строительстве, лесном хозяйстве и других. В мобильных системах, гидроусилителях и гидравлике в тракторах, а также в стационарных гидравлических системах по авторским проектам и др.
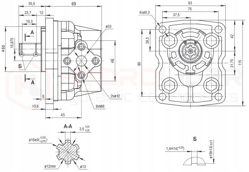
подключение:
насос работает на правых оборотах, то есть, как мы смотрим на насос со стороны вала в таком положении, как на картинке, вал вращается по часовой стрелке, всасывание находится с левой невидимой стороны, а прессование-с правой стороны.п>
