производство:
оригинальный продукт марки Badestnost Bulgaria, символ производителя: 04P80 A1A1A1A1 GV1; символ: 1.10.31.040
применение:
имеет широкое применение в гидравлические системы в сельском хозяйстве, садоводстве, лесном хозяйстве, строительстве и широкой промышленности.
сплиттер подходит для различных видов машин, таких как: сельскохозяйственная техника, тракторы, опрыскиватели, циклопы, погрузчики HDS, строительная техника, погрузчики, экскаваторы, подметальные машины, промышленные машины и другое оборудование с гидравлическим управлением.
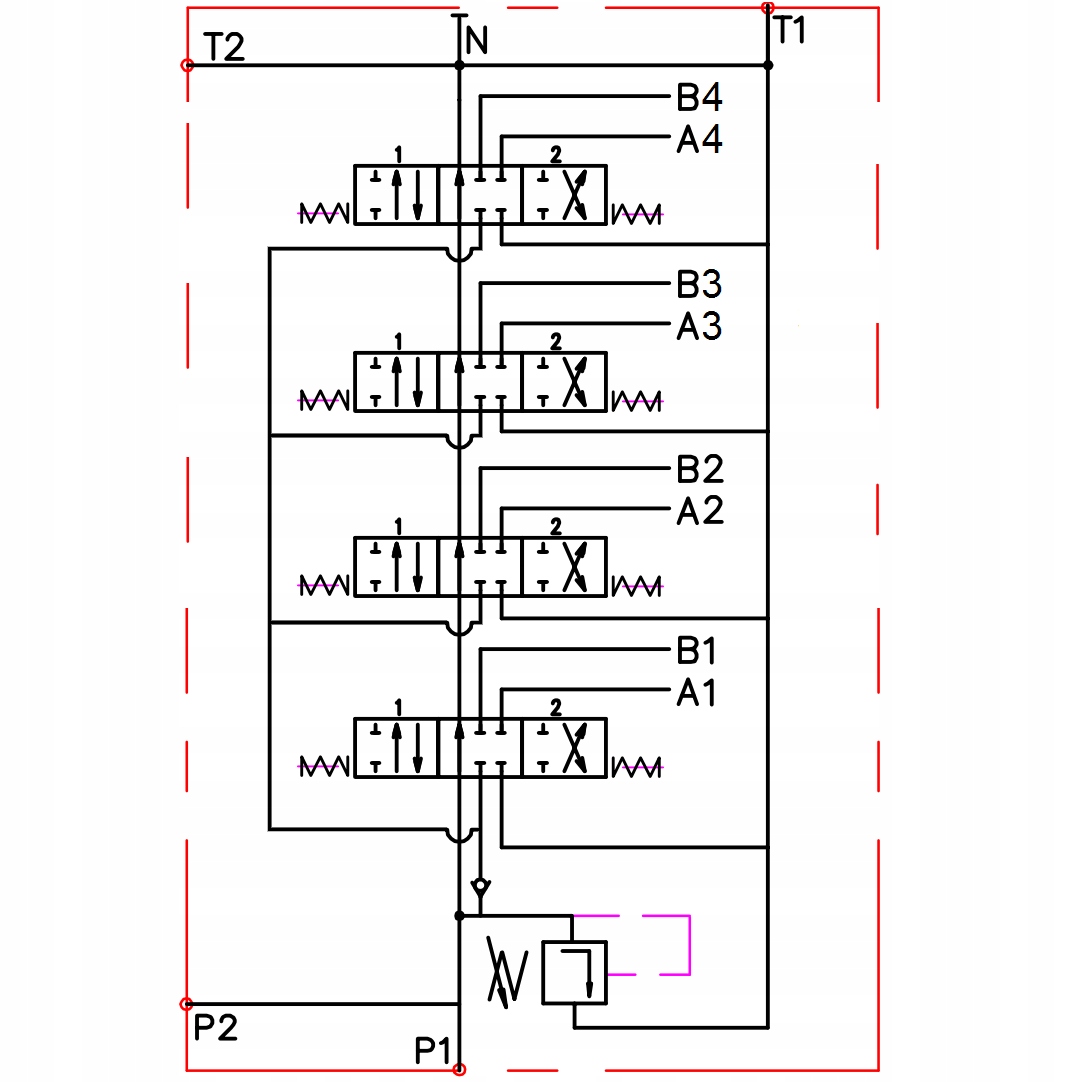
применяется везде, где по соображениям безопасности, комфорта управления или необходимости поддержания чистоты требуется установка распределителя вне кабины. В кабине остается только блок управления, например джойстик, который соединен с распределителем тросами.
технические характеристики:
рекомендуемый расход масла системы: 0 - 80 л / мин. Пример управления: четыре привода 2-стороннего действия.
возможность последовательного подключения к существующей системе (требуется напорная втулка).п>
