максимальное давление: 250 бар
максимальный расход: 40 л/мин
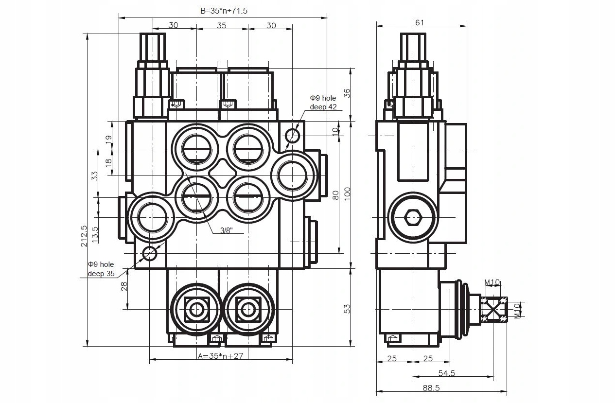
расстояние между секциями: 35 мм
резьба на секции: 3/8"
питание и возврат: 1/2"
прочная и компактная конструкция
простая установка
конструкция позволяет последовательно подключаться к другому сплиттеру с помощью винт давления
оснащен предохранительным клапаном
каждый ползунок имеет три положения на пружине, то есть они автоматически возвращаются в нейтральное положение, сразу после отпускания джойстика управления:
- положение 0 нейтральное < /B> – масло направляется обратно в бак [положение, как показано на рисунке слева].
- рабочее положение 1 (движение джойстика вверх) - поток масла- [в случае, например, привода шток поршня выдвигается].
- рабочее положение 2 (движение джойстика вниз) – поток масла - [в случае, например, привода шток поршня втягивается]
подключение:
при покупке прилагаем схему подключения распределителя к пакету.п>
