производство:
оригинальный продукт марки Hydrolider, символ: 1.42.10.015
применение:
имеет широкое применение в гидравлических системах в сельском хозяйстве, садоводстве, лесном хозяйстве, строительстве и я подумаю.
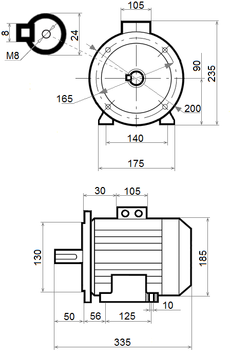
двигатели общего назначения, приспособленные для непрерывной работы в промышленности и сельском хозяйстве. В гидравлических системах используется для привода насосов. В механических системах для введения во вращательное движение других элементов системы.
есть возможность установки на двигатели постороннего охлаждения или ручного тормоза.п>
