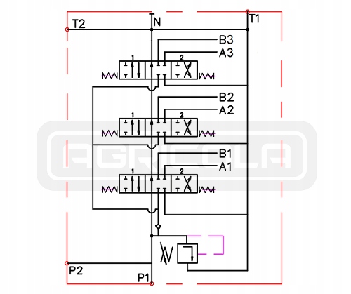
гидравлический 3-секционный сплиттер 40л/мин
12V с электроприводом в комплекте
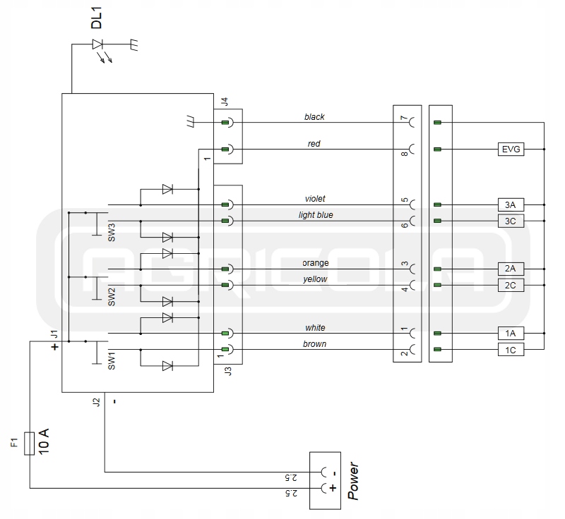
с панелью управления и жгутом проводов
производство сплиттера:
оригинальный продукт Badestnost Bulgaria, символ: 03Z50 A ES3 12VDC G
производство панели:
оригинальный продукт марки гидролидер, символ: 1.10.62.003
применение:
имеет широкое применение в гидравлических системах в сельском хозяйстве, садоводстве, лесном хозяйстве, строительстве и широкой промышленности.
сплиттер подходит для различных видов машин, таких как: сельскохозяйственная техника, тракторы, опрыскиватели, турки, циклопы, погрузчики HDS, строительная техника, погрузчики, экскаваторы, подметальные машины, промышленные машины и другое оборудование, имеющее гидравлическую систему.
панель позволяет управлять тремя секциями в гидравлическом распределителе с электроприводом
комплект проводов, позволяющий подключить электрический распределитель к панели управления.
технические характеристики:
в комплекте разветвитель, панель управления с набором проводов и разъемов.
рекомендуемый расход масла системы: 0 - 40 л / мин.
Пример управления: три привода 2-стороннего действия.
возможность последовательного подключения к существующей системе (требуется напорная втулка).п>
