производство:
оригинальный продукт марки Hydrolider, символ: 2.00.02.010
применение:
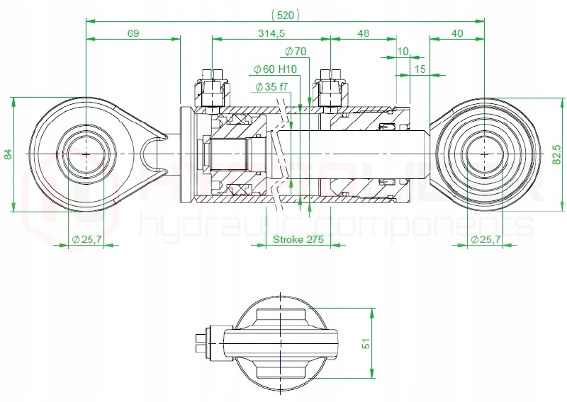
гидравлическая муфта, установленная на задней части трактора вместо центрального винта.позволяет гидравлически поднимать и опускать сельскохозяйственную технику без необходимости выходить из Трактора. Предназначен для Трактора URSUS C-330 c-360
технические характеристики:
мы являемся производителем, даем 2 года гарантии, гарантируем качество и надежность! Муфта изготовлена из высококачественной стали, сварные швы изготовлены профессиональными инверторными сварочными аппаратами, что гарантирует надежную фиксацию и долговечность в течение многих лет.
В комплект поставки входят:
- привод двойного действия с ходом 275 мм
- гидравлический предохранительный клапан"замок"
- два гидравлических шланга
- два быстроразъемных штекера старого типа
