код среза MET: [7598]
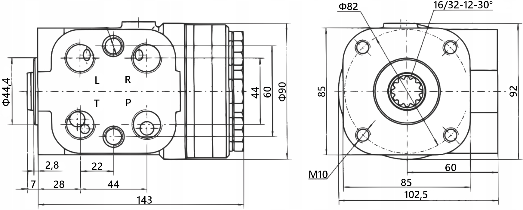
тип: OSPC-ON (нормально открытый) Вал: 16/32-12-30°геометрический объем: 160 см3 / об
Orbitrol 160 ON (OPEN NORMALLY-нормально открытый)- в тот момент, когда рулевое колесо не меняет положения, масло свободно перемещается в системе orbitrol и течет обратно, стекая в резервуар. Благодаря этому насос во время работы разгружается.
преимущества наших орбитролов:
- прецизионная конструкция, обеспечивающая отсутствие каких-либо утечек и легкую и плавную работу-работает даже при очень нагруженной оси
- каждый орбитрол имеет описанные соединения: P, T, R, L, что обеспечивает правильное подключение к системе
- позволяет управлять транспортным средством во время буксировки даже в случае отказа трактора (например, насоса)
