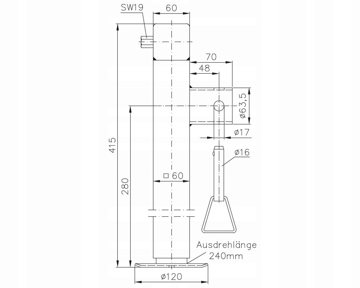
Выдвижная опора для прицепов SF 60-19-280

Выдвижная опора для прицепов SF 60-19-280

Что вы ищете?

Выдвижная опора для прицепов SF 60-19-280

В наличии
Код товара:
11542775354
7454,00 ₴
Основные параметры
Дополнительная информация
Состояние Новый
Описание
выдвижная опора для прицепов SF 60-19-280

оригинальный продукт бренда: WINTERHOFF

выдвижная опора для автомобильных прицепов. С допустимым максимальным давлением 1300 кг.

выдвижная опора для прицепов Winterhoff с диаметром трубы 60 мм. Сложенная опора имеет высоту 415 мм. Высота подъема 240 мм. Производителем опоры является известная компания Winterhoff, известная производством деталей для прицепов. Продукция этой компании известна своей исключительной прочностью. 

  • опора идеально подходит для прицепов
  • максимальная нагрузка на опору 1300 кг.
Translated by AiTranslate api services.