Внешний аналоговый микрометр MMZb-C 100-125 мм

Внешний аналоговый микрометр MMZb-C 100-125 мм

Что вы ищете?

Внешний аналоговый микрометр MMZb-C 100-125 мм

В наличии
Код товара:
12784677017
3978,00 ₴
Основные параметры
Дополнительная информация
Состояние Новый
Описание
наружный аналоговый микрометр MMZb-C 100-125 мм

GIMEX304. 412

<улей>
  • твердосплавные измерительные поверхности
  • с покрытием, хромированная шкала
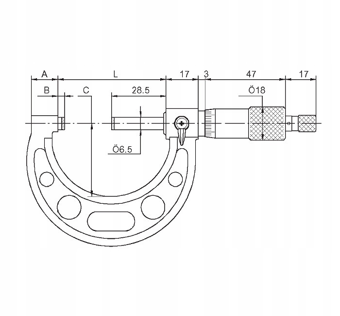
  • шпиндель диаметром 6,5 мм
  • шаг резьбы 0,5 мм
  • с храповым механизмом
  • шкала 0.01 мм
  • точность РГ. DIN 863
  • с проверкой
  • в упаковке / коробке
  • технические характеристики:

    <улей>
  • диапазон-100-125 мм
  • A - 16,5 мм
  • B - 3,5 мм
  • C - 73 мм
  • L - 133 мм
  • предложение № xSale 12784677017

    Translated by AiTranslate api services.