звездочка одиночная 26 зубьев 3/4 " цепь 12 B-1 отверстие 30 мм Kramp
параметры
- номер детали: SE342630
- блок: шт
- производитель: Kramp
- тип: одиночный
- размер цепи: 12 B-1
- количество зубов: 26
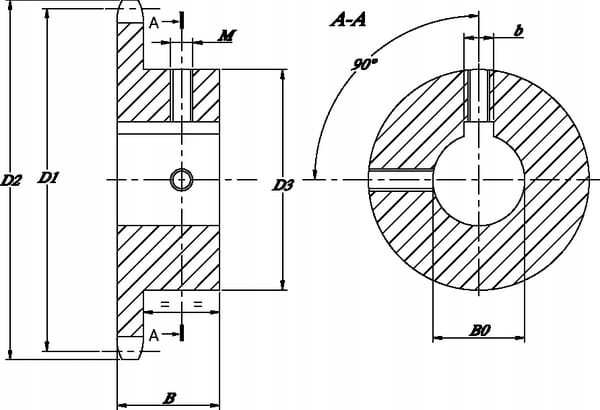
- рабочий диаметр: 158,04 мм
- внешний диаметр: 166,2 мм
- ширина зубьев: 11,1 мм
- ширина: 40 мм
- тип ступицы: ступица с одной стороны
- диаметр ступицы: 95 мм
- диаметр отверстия: 30 мм
- отверстие: да
- материал: сталь C45
- твердость зубьев: HRC 45-55
- ширина паза/Клина: 8 мм
- диаметр резьбы крепления: M6 < /ul >
технические характеристики
- индуктивно закаленные зубы (HRc45-55)
свойства
- установка ступицы: H7
- Клиновая канавка по DIN 6885 на средней линии зубьев
- резьбовое отверстие на клине и на 90°
техническая информация
для цепи типа 12b1
преимущества
- более длительный срок службы цепи и звездочки
состоит из
- цепное колесо
- 2 регулировочных винта
