ZYP2FC016B03 - Шестеренный гидравлический насос 16CM3 24L группа 2PE

ZYP2FC016B03 - Шестеренный гидравлический насос 16CM3 24L группа 2PE

Що Ви шукаєте?

ZYP2FC016B03 - Шестеренный гидравлический насос 16CM3 24L группа 2PE

В наявності
Код товару:
12277765747
6123,00 грн
Основні параметри
Докладніше
Стан Новий
Номер за каталогом ZYP2FC016B03
Опис
шестеренчатый гидравлический насос второй группы с расходом 16 см3 / об.

прочный гидравлический насос марки PRESKO , отличается компактной и прочной конструкцией. Он имеет широкий спектр применений в сельскохозяйственной, строительной и промышленной отраслях. высокое качество уплотнений и сплавов, из которых был построен насос, гарантирует бесперебойную работу системы в течение длительного времени.

✅ основные данные < ul >
  • геометрический рабочий объем: 16 см3 / об.
  • расход масла при 1500обр./мин: 24l/мин
  • Максимальное рабочее давление: 260 бар
  • Номинальное рабочее давление: 200 бар,
  • Направление вращения: правая
  • Максимальная скорость вращения (непрерывная): 2000 об./мин
  • Максимальная скорость вращения (мгновенная): 4000 об / мин/мин
  • минимальная скорость вращения: 500 об. / мин./мин
  • Чоп вала: конус 1:8, M12 x 1,5 - на один клин
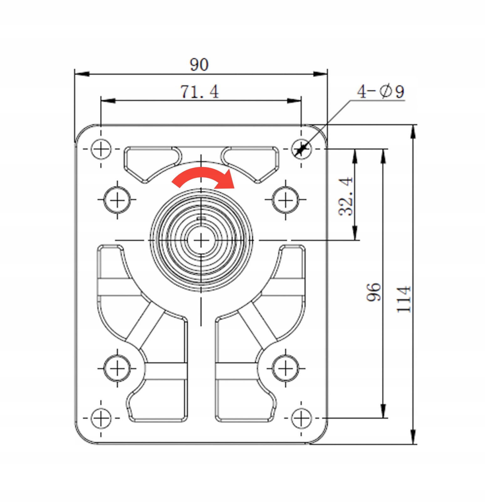
  • монтажный Фланец: европейский 114 x 90 мм
  • применение: промышленность, сельское хозяйство
  • ✅ ОСНОВНЫЕ ХАРАКТЕРИСТИКИ

    • каждый насос PRESKO проходит испытания по физической подготовке на заключительном этапе производства
    • усиленные уплотнения выдерживать более высокие температуры и давление
    • повышенное номинальное давление для непрерывной работы - 200 бар,
    • корпус из алюминия, что облегчает отвод тепла
    • прочные чугунные крышки
    • используемые tulejowanie обеспечивает более высокую компенсацию осевую
    • европейский тип монтажного фланца
    • европейский тип присоединения боковых
    • аналог насосов из группы 2PE

    ✅ ОПИСАНИЕ РАЗМЕРОВ:

    • РАЗМЕР № 1 - 107
    • РАЗМЕР № 2 - 51,3 мм
    • РАЗМЕР № 3 - 1/2" - питание
    • РАЗМЕР № 4 - 3/4" - возвращение
    ✅ размеры применяемого Европейского фланца (красная стрелка показывает направление вращения вала):

    производитель компонентов силовой гидравлики

    Scroll To Top