КОМПЛЕКТ СКОЛЬЗЯЩИХ РЫЧАГОВ TEREX FERMEC 760 860 960

КОМПЛЕКТ СКОЛЬЗЯЩИХ РЫЧАГОВ TEREX FERMEC 760 860 960

Що Ви шукаєте?

КОМПЛЕКТ СКОЛЬЗЯЩИХ РЫЧАГОВ TEREX FERMEC 760 860 960

В наявності
Код товару:
10504041860
8488,00 грн
Основні параметри
Докладніше
Стан Новий
Номер за каталогом ŚLIZGI TEREX FERMEC 760
Опис
KOMPLET SLIZGOW RAMIENIA TEREX FERMEC 760 860 960
КОМПЛЕКТ ОПОР МАНИПУЛЯТОРА ПЕРЕВОДАTEREX FERMEC 960

Ножки выполнены из наиболее прочного материала к истиранию.

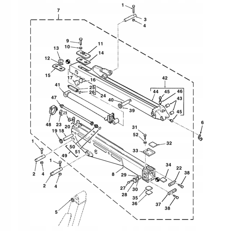
Комплект состоит из 10 элементов:

№ 14 x 1

№ 15 x 1

№ 17 x 2

№ 29 x 4

№ 34 x 1

№ 35 " x 1

KOMPLET SLIZGOW RAMIENIA TEREX FERMEC 760 860 960 Part number SLIZGI TEREX FERMEC 760
KOMPLET SLIZGOW RAMIENIA TEREX FERMEC 760 860 960
Scroll To Top