BM2SA315AAA 1CB-22-08WD - Двигатель BM2 315CM3 BMR OMR SMR + ниппель

BM2SA315AAA 1CB-22-08WD - Двигатель BM2 315CM3 BMR OMR SMR + ниппель

Що Ви шукаєте?

BM2SA315AAA 1CB-22-08WD - Двигатель BM2 315CM3 BMR OMR SMR + ниппель

В наявності
Код товару:
11598567183
5743,00 грн
Основні параметри
Докладніше
Стан Новий
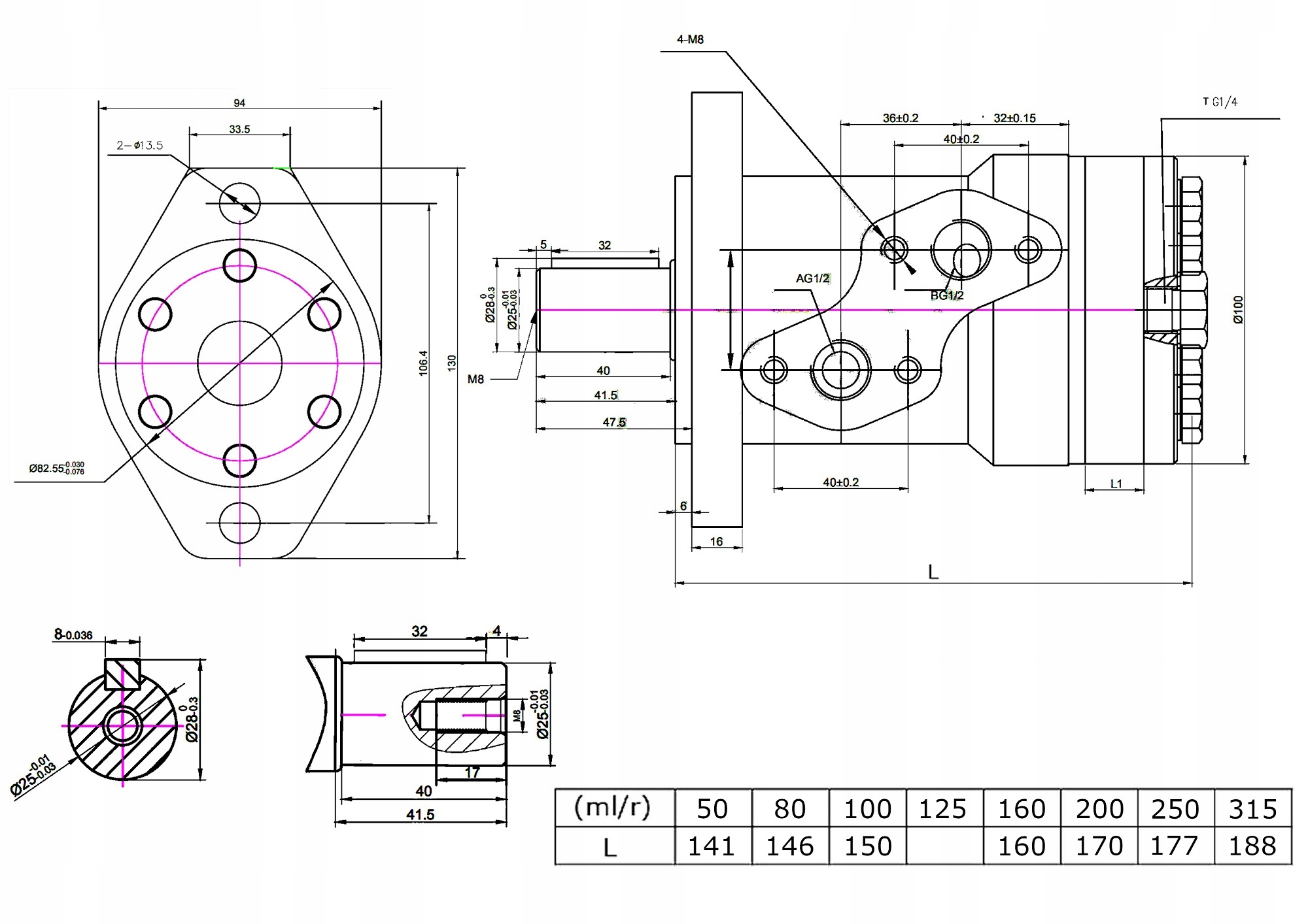
Номер за каталогом BM2SA315AAA + 1CB-22-08WD
Опис
9d9856174d958e3eac3f10453f19
Двигатель гидравлический BM2 315 вал 25мм BMR OMR СМР в комплекте с nyplami коробок
Silnik wolnoobrotowy BM2 315cm3 BMR OMR SMR nyple Part number BM2SA315AAA 1CB 22 08WD

гидромотор орбитальный (gerotorowy) с впитывающей 315 см3/об., с разъемами G?”, SAE A

Эквивалент OMR 315, BMR 315, SMR 315

Аналог M+S MR 315 CB

Выделенный набор nypli подключения.

ОСНОВНЫЕ ДАННЫЕ:

  • Впитывающей способности: 315 см3/об.
  • Разъемы: G?" (по BSPP1)
  • монтажный Фланец: SAE
  • Чоп вала: C25

Параметры непрерывной работы:

  • Максимальная скорость вращения (непрерывная): 175 об./мин
  • Максимальный крутящий момент (непрерывный): 334 Нм
  • Максимальный расход (непрерывный): 60 л/мин
  • Максимальная выходная мощность (непрерывная): 6,18 квт
  • Максимальное давление питания (постоянное): 9 Мпа

рабочие Параметры текущей:

  • Максимальная скорость вращения (кратковременная): 200 оборотов в минуту./мин
  • Максимальный крутящий момент (кратковременная): 469 Нм
  • Максимальный расход (кратковременная): 75 л/мин
  • Максимальная мощность: 12,01 квт
  • Максимальное давление питания: 13,5 Мпа
  1. British Standard Pipe Parallel – Британский Стандарт Трубы Параллельный, дюймовая резьба с цилиндрической головкой, один из трубной резьбы Whitwortha (BSP) обозначается буквой G.
A2d30b174499a77f628466a0309f
  • a - максимальное непрерывное рабочее давление
  • B-максимальное мгновенное рабочее давление
  • C - поток (л/мин)
A021fabd45ac9e7df286c66234ce

Двигатель содержит в комплекте специальный nyple соединительные, которые помогут подключить прилагаемый его в макет.

2 x ниппель 1/2 " - M22x1,5

ниппель имеет уплотнение со стороны резьбы 1/2" (для ввинчивания в порт двигателя), поэтому мы гарантируем герметичность соединения.

резьба M22x1. 5 используется для соединения с крепежным элементом гидравлического шланга.

07826f6140b2bb35c7299f8901fd
Silnik wolnoobrotowy BM2 315cm3 BMR OMR SMR nyple Part manufacturer Presko
Scroll To Top