BM2SA160AAA 1CB-22-08WD - Гидравлический двигатель 160CM3 / RPM 342obr / min + ниппель

BM2SA160AAA 1CB-22-08WD - Гидравлический двигатель 160CM3 / RPM 342obr / min + ниппель

Що Ви шукаєте?

BM2SA160AAA 1CB-22-08WD - Гидравлический двигатель 160CM3 / RPM 342obr / min + ниппель

В наявності
Код товару:
11598567023
5743,00 грн
Основні параметри
Докладніше
Стан Новий
Номер за каталогом BM2SA160AAA + 1CB-22-08WD
Опис
06b9aee340c4b56fabdde60ab7e2
Мощный двигатель гидравлический BM2 160 BMR OMR СМР в комплекте с nyplami коробок.

гидромотор орбитальный (gerotorowy) с впитывающей 160 см3/об., с разъемами G?”, SAE A

Эквивалент OMR 160, BMR 160, SMR 160

Аналог M+S MR 160 CB

Выделенный набор nypli подключения.

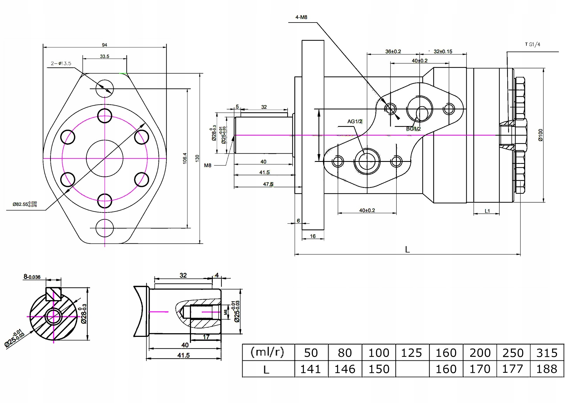
ОСНОВНЫЕ ДАННЫЕ

  • Впитывающей способности: 160 см3/об.
  • Разъемы: G?" (по BSPP1)
  • монтажный Фланец: SAE
  • Чоп вала: C25

Параметры непрерывной работы:

  • Максимальная скорость вращения (непрерывная): 342 об./мин
  • Максимальный крутящий момент (непрерывный): 286 Нм
  • Максимальный расход (непрерывный): 60 л/мин
  • Максимальная выходная мощность (непрерывная): 9,61 квт
  • Максимальное давление питания (постоянное): 14 MPa

рабочие Параметры текущей:

  • Максимальная скорость вращения (кратковременный): 415 об./мин
  • Максимальный крутящий момент (временный): 314 Нм
  • Максимальный расход (мгновенный): 75 л/мин
  • Максимальная выходная мощность (кратковременная): 15,45 квт
  • Максимальное давление питания (мгновенный): 17,5 Мпа
  1. British Standard Pipe Parallel – Британский Стандарт Трубы Параллельный, дюймовая резьба с цилиндрической головкой, один из трубной резьбы Whitwortha (BSP) обозначается буквой G.
2d8680a64fb3bcd20326c1030213
  • a - максимальное непрерывное рабочее давление
  • B-максимальное мгновенное рабочее давление
  • C - поток (л/мин)
SILNIK HYDRAULICZNY 160cm3 obr 342obr min nyple Part manufacturer Presko

Двигатель содержит в комплекте специальный nyple соединительные, которые помогут подключить прилагаемый его в макет.

2 x ниппель 1/2 " - M22x1,5

ниппель имеет уплотнение со стороны резьбы 1/2" (для ввинчивания в порт двигателя), поэтому мы гарантируем герметичность соединения.

резьба M22x1. 5 используется для соединения с крепежным элементом гидравлического шланга.

2678b8b34bba8b81d447f790d0a7
Scroll To Top