KP в набор из будет включать WW
40100+40105
Bünte
Комплект колеса опорные с зажимом монтажную немецкого производителя оборудования для прицепа WINTERHOFF / BUNTE Идеально подходит для маневрирования прицепом по площади, а также при подсечке и расстегивая прицепа на тсу. Хомут для крепления опорного колеса к дышлу прицепа. Немецкое качество товара гарантирует прочность и пригодность к эксплуатации на долгие годы, снова и Снова предлагает широкий шину, не подвергается воздействию слишком большие напряжения, точечные В случае двухосных прицепов позволяет спортсмену одной оси и trójpunktowe маневрирования
допустимая нагрузка: 150 кг
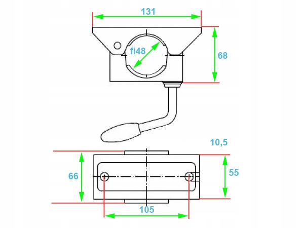
диаметр трубы: 48 мм
материал: резиновый круг + металлическая часть
размеры согласно техническому чертежу выше
антикоррозийная защита-оцинковка
хомут устанавливается на дышло двумя винтами M10
расстояние между монтажными отверстиями - 10,5 см.
