КОД РЕЗАНИЯ-MET: [2341]
качественные радиатор масла, непригодна для замены радиаторов пиковых компаний, таких как, например: BOSCH
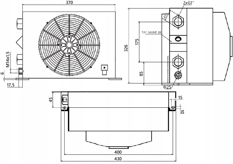
Изготовлен из алюминиевого сплава, легкий вес, с высокой сейсмической интенсивности и очень хорошего теплообмена для целей мобильной гидравлики - где важны небольшие размеры, но высокая эффективность и производительность.
Радиатор используется, среди прочего: кранов, лесных и строительных работ, в трейлерах лесных, гидравлических станциях, строительных и сельскохозяйственных машинах, станках, инжиниринговых / строительных, воздушных компрессорах, системах питания, системах охлаждения трансмиссионного масла и других системах охлаждения.
оснащен так называемым bypass (схема байпаса), для предотвращения слишком высокого импульсного давления, которое может повредить радиатор при запуске системы.
также имеет встроенный термостат , который приводит к тому, что при превышении заданной температуры при воздействии тепла открывается клапан, через который жидкость, которую мы охлаждаем, поступает в радиатор. При достижении достаточно низкой температуры термостат снова закрывается.
