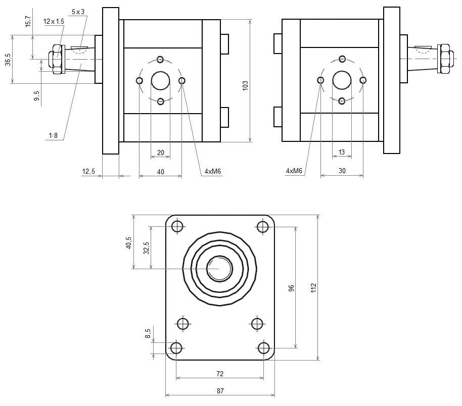
Производство:
Оригинальный продукт бренда Hydrolider, символ: 1.40.41.001
Применение:
Несколько тракторов марки FIAT: 255, 300J, 411, 415, 415DT, 420, 420DT, 421, 431, 615, 715, 715DT, 460DT, 480, 480DT, 500, 500dt авто загрузчик, 540, 540DT, 600, 600DT, 640, 640DT, 900, 900DT, 1000, 1000DT, 1000 Супер, 1000DT Супер, 1300, 1300DT, 1300 Super, 1300DT Super, 250, 250DT, 300, 300DT, 350, 350DT, 400, 400DT, 450, 450DT
Номера сравнительные разных производителей:
Оригинальные номера BOSCH:
0510225317, 0510325320, 0510425334, 0510525374, 0510525375, 0510625381, 0510625386, 0510725410, 0510725411, 0510725412, 0510225022, 0510325025, 0510425043, 0510525074, 0510525075, 0510625075, 0510625076, 0510725112, 0510725113, 0510725114 0510525042, 0510525348, 0510625063, 0510625318, 0510725331, 0510425032, 0510425309, 0510525046, 0510525313, 0510525348, 0510625318
Номера сравнительные других производителей:
517971, 569309, 1901322, 1930049, 1930061, 5085685, 5086286, 5094391, 5101781, 5121076, 5129481, 5129483, 5129488, 5129493, 5130127, 5130133, 5168841, 5169041, 5169772, 5179714, 5179719, 5179722, 5179724, 5179726, 5179730, 5179732, 8273385, 8281794, 25714005, 18 X 25 X 31 X 42 X, C 42 X K200916, K307945, K928578, K944907, K949605, K919048, 1530459C1, 1967851C1, 1424599M91, 1825210M91, 1825212M91, 1825212M91, 3536740M91, 3539857M91, 3539857M91, 3539858M91, 3539858M91, 3539859M91, 3549613M91, 3549614M91, 1824474M92, 2.4529.200.0, 2PZ4-16/22-1-775
Дополнительная информация при покупке:
ПРИМЕЧАНИЕ: для более точного подбора параметров насоса для Вашего трактора ОБЯЗАТЕЛЬНО пожалуйста, при покупке укажите цифры, которые находятся на старом насосе. Если номера на старом насосе отличаются от указанных на аукционе, пожалуйста, укажите их.
номера можно найти на корпусе или паспортной табличке, расположенной на насосе.п>
