Производство:
Оригинальный продукт бренда Hydrolider, символ производителя: 1.10.60.051
Применение:
Имеет широкое применение в гидравлических системах в сельском хозяйстве, садоводстве, лесном хозяйстве, строительстве и широко понимаемой промышленности.
сплиттер предназначен для различных видов машин, таких как: сельскохозяйственная техника, тракторы, опрыскиватели, турникеты, циклопы, погрузчики HDS, строительная техника, погрузчики, экскаваторы, подметальные машины, промышленные машины и другое оборудование с гидравлической системой.
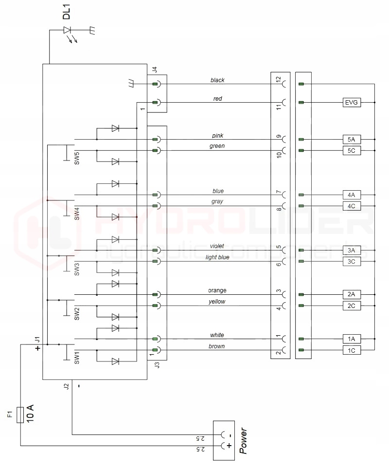
панель позволяет управлять стартовой секцией и пятью рабочими секциями в гидравлическом распределителе с электроприводом типа CETOP. Комплект проводов для электрического соединения всех секций распределителя с панелью управления.
технические характеристики:
В комплекте: блок управления, раздел противовес, пять распределителей, полный комплект соединений с выходом M18x1.5 и панель управления жгут проводов.
рекомендуемый расход масла системы: 0-50 л / мин.
Пример управления: пять приводов 2-стороннего действия.
материал:
корпус делителя и стальные ползунки, электрические вилки и пластиковые прижимные гайки, блок в зависимости от партии сталь или алюминий, пластиковая панель.п>
