1.06.00.250 - ORBITROL OSPC 250 ON WZM POWER SUPPLY HYDROLIDER

1.06.00.250 - ORBITROL OSPC 250 ON WZM POWER SUPPLY HYDROLIDER

Що Ви шукаєте?

1.06.00.250 - ORBITROL OSPC 250 ON WZM POWER SUPPLY HYDROLIDER

В наявності
Код товару:
10639237708
8042,00 грн
Основні параметри
Докладніше
Стан Новий
Номер за каталогом 1.06.00.250
Опис
ORBITROL OSPC 250 ON WZM WSPOMAGANIE HYDROLIDER Machine brand Bizon Case IH Claas Deutz Fahr Fendt Ford JCB John Deere Lamborghini Landini Massey Ferguson MTZ Belarus New Holland Renault Same Ursus Zetor other
ORBITROL OSPC 250 ON

Production:

Original product of the Hydrolider брэнд, символ: 1.06.00.250

third-party comparative numbers:

OSPC-250-ON; OSPC250ON; 150n2155

Application:

It is widely used in steering systems in industrial machinery and vehicles used in transport, agriculture, horticulture, forestry, construction and industry.

The OSPC 250 ON orbitrol is intended for the hydraulic control of the steering system in agricultural tractors, forklifts, excavators, combines and construction machines и т. д.

дорогой клиент, READ this BEFORE you BUY ORBITROL:

Orbitrol is a very precise and important device for traffic safety, unfortunately there are many cheap goods from China on the market, which at first glance looks the same, but the неточно workmanship makes it impossible to drive and work with the tractor properly. Мы не рекомендуем покупать новые орбитальные аппараты, из ненадежных источников, из продавцов, которые не могут продать этот тип оборудования.

Technical data of the orbitrol:

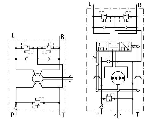
The Orbitrol 250 with the система (OPEN NORMALLY), while the steering wheel is stationary, the oil постоянно circulates in the system and freely passes through the orbitrol, the return line to the водохранилища, the pump then works, but is unloaded.

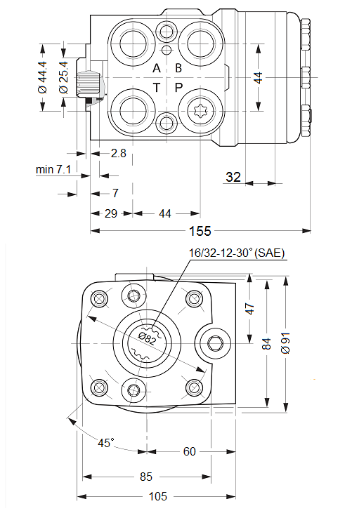
  • Connections: P, T, A, B internal threads [BSP]: 1/2 "
  • фиксация рулевой колонки: 4X M10 screw - 16mm
  • установка клапана: overflow 160bar, shock 240bar
  • геометрический объем: 250cm3 / rev.Ли>
  • Recommended Oil flow in the system: от 20 до 30л / мин.Ли>
  • материал: литое железо
  • улей>

    full size drawing (рис. ):

    ORBITROL OSPC 250 ON WZM WSPOMAGANIE HYDROLIDER Weight with packaging 10 kg
    ORBITROL OSPC 250 ON WZM WSPOMAGANIE HYDROLIDER Part number 1 06 00 250

    Advantages of Hydrolider production orbitrols:

  • A special reinforced and more precisely made structure обеспечивает perfect operation without leaks, without jerking the steering wheel and, most importantly, very light and smooth steering even in heavily loaded vehicles.Ли>
  • each orbitrol is sent together with the instructions for connecting the hydraulic lines, we also provide full technical support in selecting the appropriate orbitrol and during assembly.Ли>
  • Produced in Europe, comes from a reliable source, has a two-year warranty, proven goods from a reliable manufacturer.Ли>
  • Even when the tractor or pump fails, this function is very useful in emergency situations, e.g. when towing.Ли> улей>

    Hydraulic diagram of the OSPC ON orbitrol (рис. ):

  • Scroll To Top