Production:
Original Hydrolider brand product, символ: 1.06.00.200
third-party comparative numbers:
OSPC-200-ON; OSPC200ON; 150n2154
Application:
It is widely used in steering systems in industrial machinery and vehicles used in transport, agriculture, horticulture, forestry, construction and industry.
The OSPC 200 ON orbitrol is intended for the hydraulic control of the steering system in agricultural tractors, forklifts, excavators, combines and construction machines и т. д.
дорогой клиент, READ this BEFORE you BUY ORBITROL:
Orbitrol is a very precise and important device for traffic safety, unfortunately there are many cheap goods from China on the market, which at first glance looks the same, but the неточно workmanship makes it impossible to drive and work with the tractor properly. Мы не рекомендуем покупать новые орбитальные аппараты, из ненадежных источников, из продавцов, которые не могут продать этот тип оборудования.
Technical data of the orbitrol:
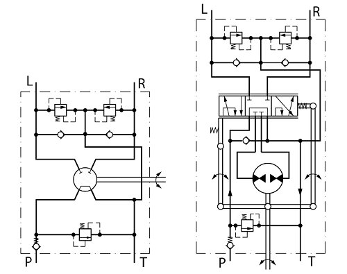
Orbitrol 200 with the система (OPEN NORMALLY), while the steering wheel is stationary, the oil постоянно circulates in the system and freely passes through the orbitrol, the return line to the tank, then the pump works, but is unloaded.
full size drawing (рис. ):
Advantages of Hydrolider production orbitrols:
Hydraulic diagram of the OSPC ON orbitrol (рис. ):
