MDC1774 - Передня панель RENAULT Laguna II 2.0 2,2 dCI 3. 0V6

MDC1774 - Передня панель RENAULT Laguna II 2.0 2,2 dCI 3. 0V6

Що Ви шукаєте?

MDC1774 - Передня панель RENAULT Laguna II 2.0 2,2 dCI 3. 0V6

В наявності
Код товару:
13191861256
2666,00 грн
Основні параметри
Докладніше
Стан Новий
Номер за каталогом MDC1774
Номери замінних деталей BRAXIS AE0954, COMLINE ADC1576V, COMLINE ADC2705V, COMLINE AND6855, COMLINE AND6942, E.T.F. 19-2237, FOMAR Friction FO 4113, FOMAR Friction FO 4146, JAPANPARTS DI-0713, JAPANPARTS DI-0713C, JURID 562593JC, JURID 562593JC-1, MOTAQUIP LVBD1272Z, ROTINGER RT
Оригінальний номер деталі RENAULT 7701206831, RENAULT 8200019581,
Опис

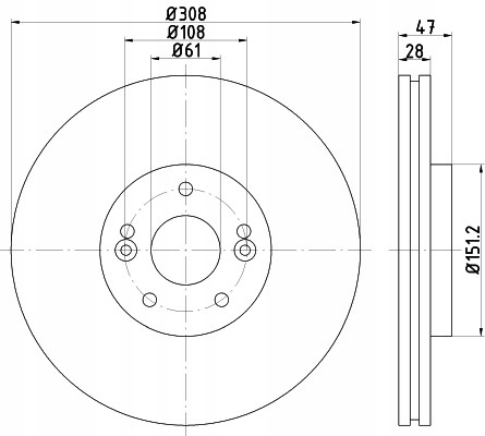
передній гальмівний диск RENAULT Laguna II 308mm

  • мінімальна товщина [мм]: 25,4

    Висота [мм]: 47

    додатковий артикул / додаткова інформація 2: без кріпильного штифта колеса, без маточини колеса

    тип гальмівного диска: з зовнішньою вентиляцією

    Товщина [мм]: 28

    вага [кг]: 9,9

    Висота упаковки [см]: 7

    ширина упаковки [см]: 33,5

    ø отвору штифта колеса [мм]: 13,6

    діаметр центруючого отвори [мм]: 61

    викрійка отворів/кількість отворів: 05/07

    ø розташування отворів [мм]: 108

    довжина упаковки [см]: 35

    зовнішній діаметр [мм]: 308

ціна за 1 шт. Продаж тільки комплект тобто 2шт

замовлення 1шт не будуть виконані !!!!

Mintex Англія Висока якість !!!

застосування:

Renault

Renault Laguna II (BG0/1_) 2.0 16V (BG03, BG0Z, BG0T, BG1Y) (F4R 784 F4R 786 F4R 787) 1998ccm 170km/125kw 2005/01-2007/09

деталі: сторона установки: передня вісь

Renault Laguna II (bg0/1_) 2.0 16V (BG1Y) (F4R 886 F4R 887) 1998CCM 204KM/150KW 2005/01-2007/09

деталі: сторона установки: передня вісь

Renault Laguna II (bg0/1_) 2.0 16V Turbo (bg0s, bg1l, bg1m) (F4R 764 F4R 765) 1998ccm 163KM/120kw 2003/01-2005/03

деталі: сторона установки: передня вісь

Renault Laguna II (bg0/1_) 2.0 dCi (bg14, bg1s) (m9r 760) 1995CCM 173KM/127KW 2006/01-2007/08

деталі: сторона установки: передня вісь

Renault Laguna II (BG0/1_) 2.2 dCi (BG0F) (G9T 700 g9t 702) 2188ccm 150km/110kW 2001/10-2006/08

деталі: сторона установки: передня вісь, рік випуску. від: 2002/10

Renault LAGUNA II (BG0/1_) 2.2 dCi (G9T 600 G9T 605 G9T 706 G9T 707) 2188ccm 140km/102kw 2005/05-2007/08

деталі: сторона установки: передня вісь

Renault LAGUNA II (BG0/1_) 2.9 V6 24V (l7x 733) 2946ccm 211KM/155KW 2001/03-2007/08

деталі: сторона установки: передня вісь

Renault Laguna II (bg0/1_) 3.0 V6 24V (bg01, bg02, bg0d, bg0y) (l7x 731) 2946CCM 207KM/152kw 2001/03-2007/08

деталі: сторона установки: передній міст, рік випуску від: 2002/10

Renault LAGUNA Grandtour II (KG0/1_) 2.0 16V (KG03, KG0Z, KG0T, KG1Y) (F4R 784 F4R 786 F4R 787) 1998ccm 170km/125kw 2005/01-2007/09

деталі: сторона установки: передня вісь

Renault Laguna Grandtour II (KG0/1_) 2.0 16V (KG1Y) (F4R 886 F4R 887) 1998ccm 204km/150KW 2005/01-2007/09

деталі: сторона установки: передня вісь

Renault Laguna Grandtour II (kg0/1_) 2.0 16V Turbo (kg0s, kg1l, kg03) (F4R 764 F4R 765) 1998ccm 163km/120KW 2003/01-2005/08

деталі: сторона установки: передня вісь

Renault Laguna Grandtour II (kg0/1_) 2.0 dCi (kg1s) (m9r 760) 1995CCM 173KM/127KW 2006/01-2007/12

деталі: сторона установки: передня вісь

Renault Laguna Grandtour II (KG0/1_) 2.2 dCi (g9t 600 g9t 706 G9T 707) 2188CCM 140KM/102kw 2005/05-2007/12

деталі: сторона установки: передня вісь

Renault Laguna Grandtour II (KG0/1_) 2.2 dCi (KG0F) (G9T 702) 2188CCM 150KM/110kW 2001/10-2006/08

деталі: сторона установки: передня вісь, рік випуску від: 2002/10

Renault LAGUNA Grandtour II (KG0/1_) 2.9 V6 24V (L7X 731) 2946CCM 211KM/155kw 2003/10-2007/12

деталі: сторона установки: передня вісь

Renault LAGUNA Grandtour II (KG0/1_) 3.0 V6 24V (kg0d) (l7x 731) 2946ccm 207km/152kw 2001/03-2007/12

деталі: сторона установки: передній міст, рік випуску з: 2002/10