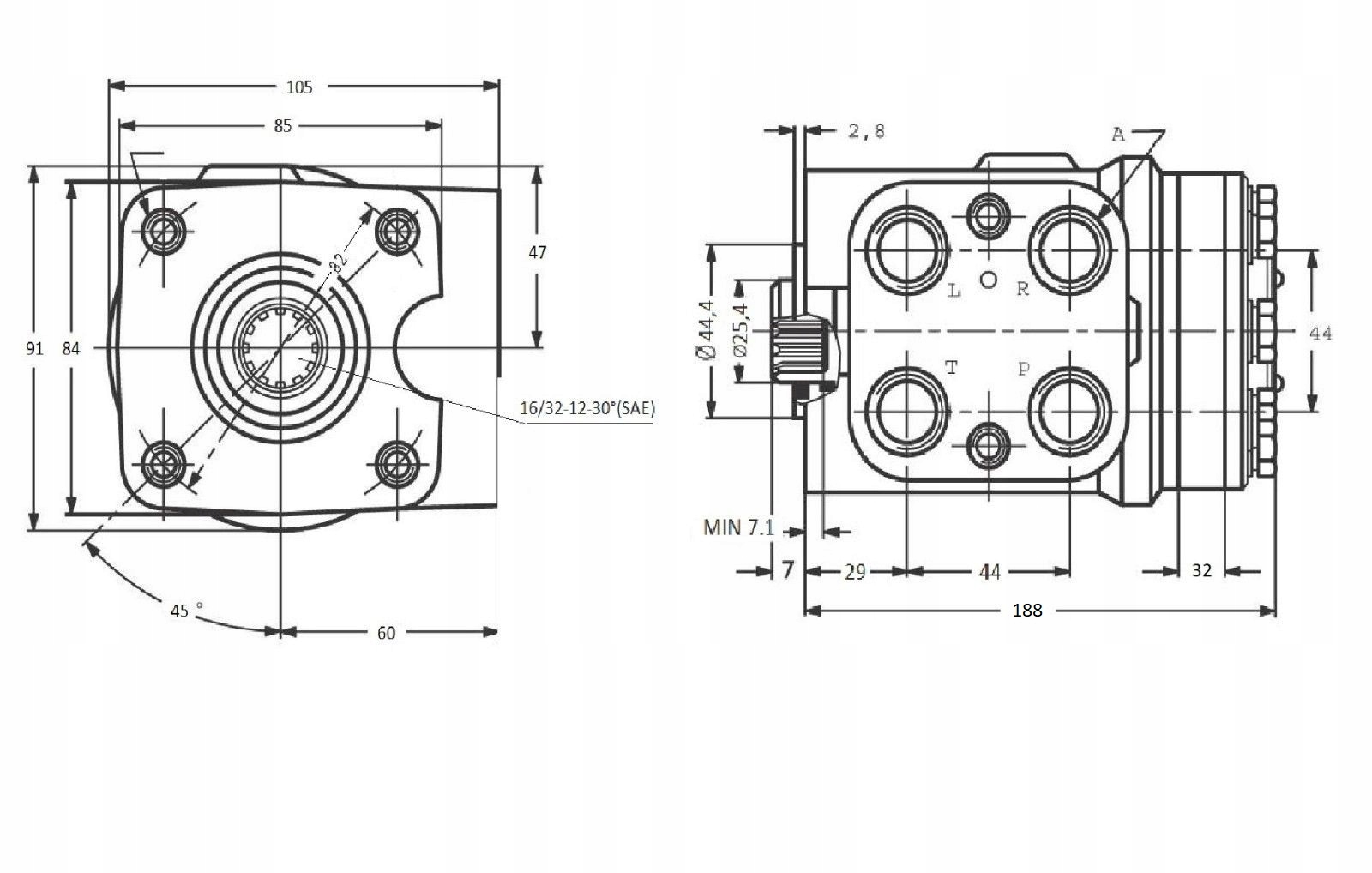
порівняльні номери інших виробників:
OSPC-500-ON; OSPC500ON; 150N2158; HKUS500/4
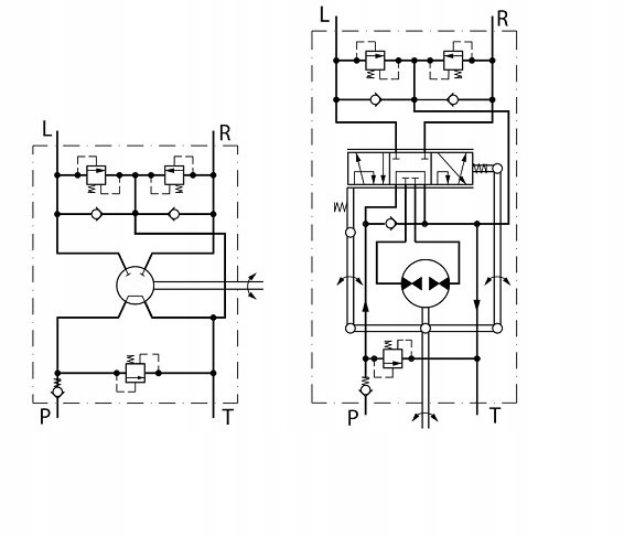
застосування:
має широке застосування в системах рульового управління промислового обладнання та транспортних засобів, що використовуються в транспорті, сільському господарстві, садівництві, лісовому господарстві, будівництво та промисловість.
Orbitrol OSPC 500 він призначений для гідравлічного управління рульовим управлінням в сільськогосподарських тракторах, навантажувачах, екскаваторах, комбайнах і будівельній техніці і т. д.< / п>
