ORBITROL OSPB 200 CN 150-0146 JOHN DEERE

ORBITROL OSPB 200 CN 150-0146 JOHN DEERE

Що Ви шукаєте?

ORBITROL OSPB 200 CN 150-0146 JOHN DEERE

В наявності
Код товару:
10482464937
9180,00 грн
Основні параметри
Докладніше
Стан Новий
Номер за каталогом ORBITROL 200 CN
Опис
ORBITROL OSPC 200 CN

порівняльні номери інших виробників:

OSPB-200-CN ; OSPB200CN ; 150-0146

застосування:

має широке застосування в системах рульового управління промислового обладнання та транспортних засобів, що використовуються в транспорті, сільському господарстві, садівництві, лісовому господарстві, будівництві та промисловості.

Orbitrol OSPC 200 CN призначений для гідравлічного управління рульовим управлінням в сільськогосподарських тракторах, навантажувачах, екскаваторах, комбайнах і будівельній техніці.

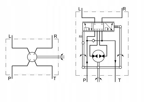
має перепускний клапан, два ударних і зворотний.

перевагами наших орбітролей є

  • спеціальна, посилена і більш точна конструкція забезпечує ідеальну роботу без витоків, без ривків рульового колеса і, найголовніше, дуже легке і плавне управління навіть в дуже завантажених транспортних засобах.
  • кожен орбітрол, що відправляється разом з інструкцією по підключенню гідравлічних ліній, ми також надаємо повну технічну підтримку при виборі відповідного орбітролу і при складанні.
  • вироблений в Європі, отриманий з певного джерела, має два роки гарантії, перевірений товар від певного виробника.
  • Рульове управління навіть при відмові трактора або насоса ця функція дуже корисна в надзвичайних ситуаціях, наприклад, при буксируванні.

ТЕХНІЧНІ характеристики:

Orbitrol 200 з системоюCN (закритий нормально), у той час як кермо стоїть потік масла через orbitrol заблокований, orbitrol утримує тиск в системі

з'єднання: P , T , A , B Внутрішня різьба [BSP]: 1/2"

кріплення рульової колонки: 4X гвинт M10 - 16mm

геометричний об'єм: 200см3/об.

витрата масла в системі: від 16 до 24 л/хв.

матеріал: чавун

Orbitrol є дуже точним і важливим для безпеки руху пристроєм, на жаль, на ринку є багато дешевого товару з Китаю, який на перший погляд виглядає так само, але мало точне виконання заважає правильній їзді і роботі з Трактором. Ми не рекомендуємо найдешевші орбітроли, з ненадійних джерел, від продавців, які не мають досвіду продажу цього типу пристроїв.

у нашій пропозиції ми маємо більшість видів гідравлічних двигунів, а також повний асортимент в області силової гідравліки. Насоси, розподільники, гідравлічні циліндри, клапани, гідравлічні лінії.

ми виставляємо рахунки

запрошуємо до співпраці