виробництво:
оригінальний продукт марки Hydrolider, символ: 1.06.10.168
порівняльні номери інших виробників:
OSPC-160-ON; OSPC160ON; 150N2153
застосування:
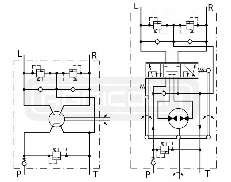
orbitrol 160 з системою on (Open by) в той час як кермо стоїть масло весь час циркулює в системі і йде на перелив, насос працює, але розвантажений.
Orbitrol OSPC 160 призначений для гідравлічного управління рульовим управлінням в сільськогосподарських тракторах, навантажувачах, екскаваторах, комбайнах і будівельній техніці.
дуже популярний орбітрол, який використовується в допоміжних системах тракторів:
- URSUS: C-385, C-385A, 902, 912, 914, 1202, 1204, 1212, 1214
- ZETOR: 8011, 8111, 8045, 8145 і похідні
- CASE IH: JX 55, 60, 65, 70, 75, 80, 85, 90, 95
- NEW HOLLAND TD: 5040, 5050, 60D, 70D, 80D, 90D, 95D
