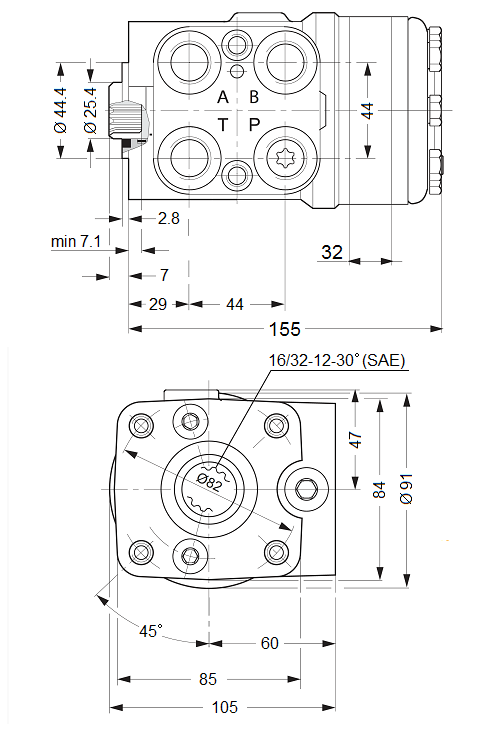
виробництво:
оригінальний продукт марки Hydrolider, символ: 1.06.00.250
порівняльні номери інших виробників:
OSPC-250-ON; OSPC250ON; 150N2155
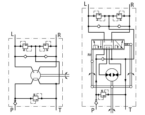
застосування: < /P>
має широке застосування в системах рульового управління в промислових машинах і транспортних засобах, що використовуються в транспорті, сільському господарстві, садівництві, лісовому господарстві, будівництві та промисловості.
Orbitrol OSPC 250 він призначений для гідравлічного управління рульовим управлінням в сільськогосподарських тракторах, навантажувачах, екскаваторах, комбайнах і будівельній техніці і т. д.< / п>
