наші деталі гарантують задоволеність клієнтів!
ТЕХНІЧНІ характеристики: е>
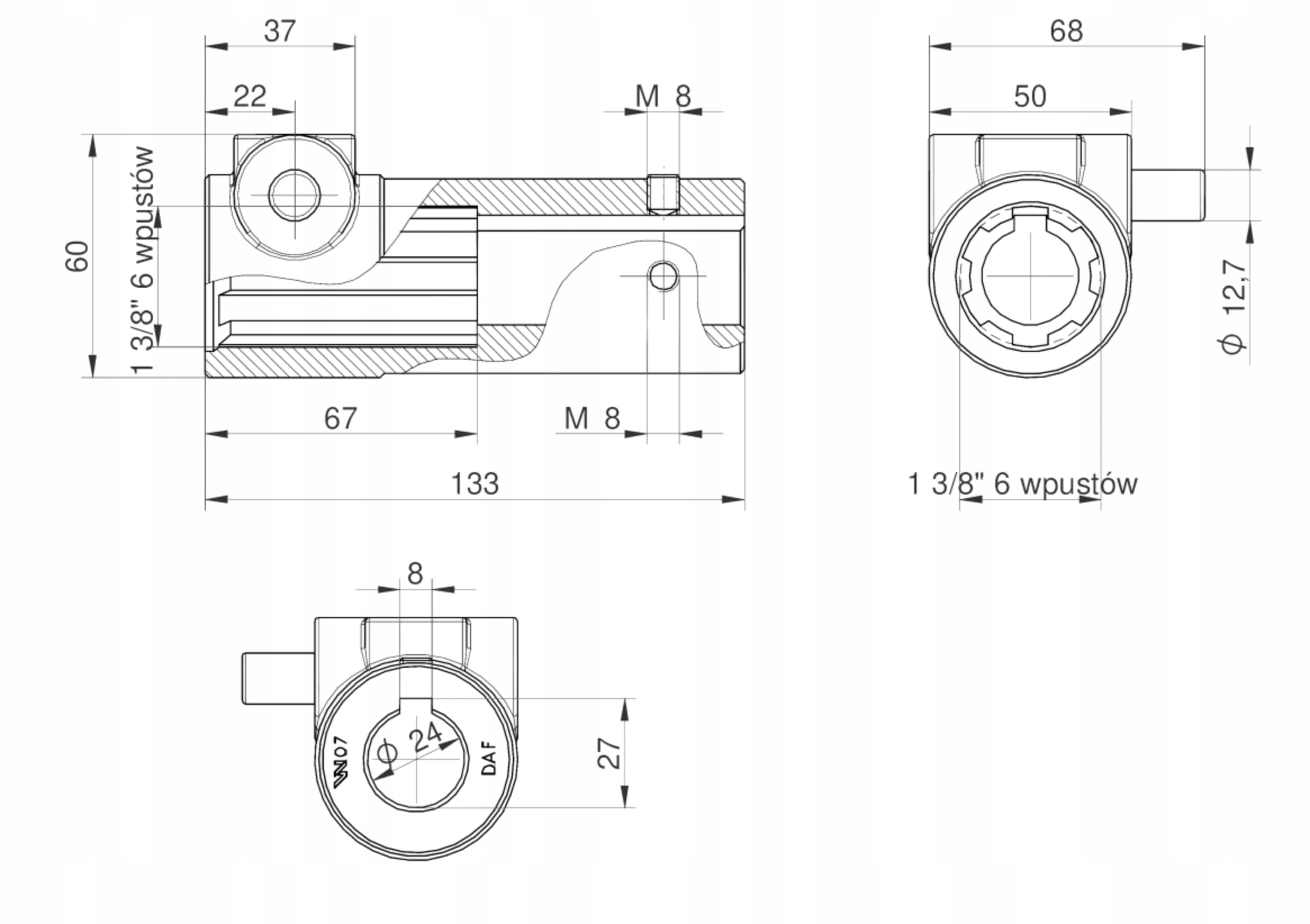
✔️ загальна довжина: 133 мм
✔️ захист: оправлення
✔️ Вал: внутрішній діаметр - 24 мм / 27 мм (в місці паза)
✔️ втулка: 1 3/8 " 6 ПАЗ
<е> застосування: е>✅ бої відбору потужності
<е> каталожний номер: е>➡ 246607m
➡ 246607
➡ 614397039
<е> Особливості продукту: е>✅ міцний і міцний
✅ Польський продукт
✅ визнаний виробник MORGA
✅ 5 років гарантії
