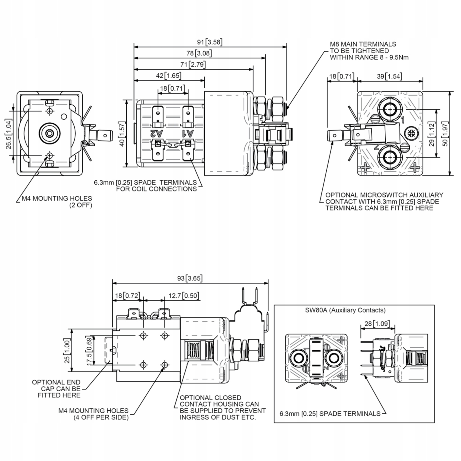
контактор SW80 - 24V 125A - ALBRIGHT оригінал 80-65
технічні характеристики:
- стан: новий
- тип: Оригінал
- виробник: ALBRIGHT
- модель: SW80-65
- напруга: 24
- максимальний струм постійний переривчастий: 125A
- максимальний безперервний постійний струм 125A.
- використовується при температурі навколишнього середовища: -40°C ~ +60°C
- можливість установки в площині: вертикальна / горизонтальна
- підключення: гвинтові клеми M8
- додатковий кріпильний кронштейн (бічний): так
розміри реле Albright SW80:
будь-які розміри реле знаходяться на фотографії ліворуч від списку (останнє зображення в галереї). Зазначені розміри доступні в двох значеннях-міліметрах і дюймах.е>
