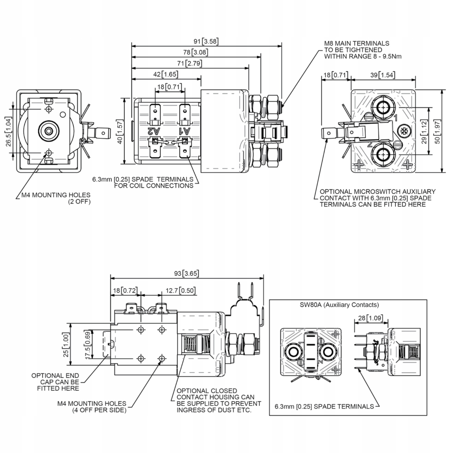
контактор SW80 - 12V 125A - заміна для ALBRIGHT
технічні характеристики:
- стан: новий
- тип: заміна для бренду ALBRIGHT
- модель: SW80
- напруга: 12 В
- максимальний постійний струм переривчастий: 125a
- максимальний постійний струм безперервний 125А.
- використовується при температурі навколишнього середовища: -40°C ~ +60°C
- можливість установки в площині: вертикальна / горизонтальна
- підключення: гвинтові клеми M8
- додатковий кріпильний кронштейн (збоку): так
розміри реле sw80:
будь-які розміри реле вказані на фото ліворуч від списку (останнє зображення в галереї). Зазначені розміри доступні в двох значеннях-міліметрах і дюймах.е>
