якість забезпечує граніт PARTS GERMANY
бренд: гранітні деталі Німеччина
артикул: 8203064NE
порівняльний номер:
технічні параметри:
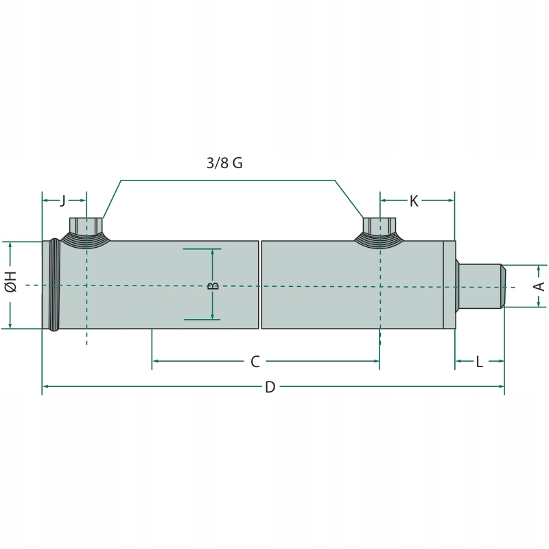
гідравлічний циліндр двосторонній без кріплення
розміри:
- Ø штока поршня a (мм): 30
-? B привід (мм): 50
- вихід C( мм): 550
- робочий тиск макс. (бар): 250
- тягове зусилля (t): 2
- сила тиску (t): 3
- d (мм): 690
- H (мм): 60
- J (мм): 20
- K( мм): 57
- L (мм):19 робочий тиск 180 бар
властивості: грунтовка
матеріал:
- трубка приводу: St52, H10
- поршневий шток 20mnv6 / C45
- хромований Ra 0,25
відповідний комплект прокладок: 82000569
властивості: грунтовка .е>
матеріал: трубка приводу: St52, H10
поршневий шток 20mnv6 / C45
хромований Ra 0,25
Максимальний робочий тиск залежить від допустимого навантаження.е>
тягове зусилля (t): 2
? B привід (мм): 50
відповідний комплект прокладок: 82000563
L (мм): 19
робочий тиск макс. (бар): 250
H (мм): 60
J (мм): 20
D (мм): 690
сила тиску (t): 3
