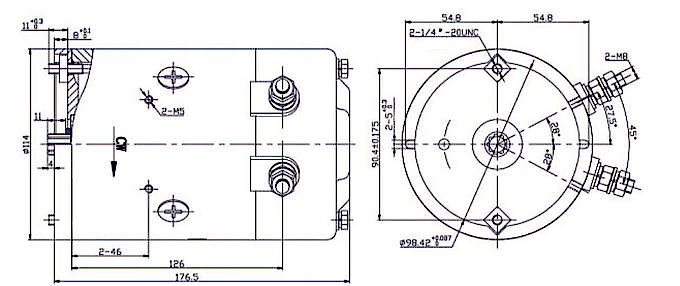
електродвигун для гідравлічних агрегатів 12V 2.0 KWкод зрізу MET: [1337]
виробник: SM-g (SKRAW met GROUP)
електродвигун постійного струму для гідравлічних агрегатів.
застосування в фургонах і причепах.
тип роботи S3
(переривчастий, періодичний) визначається як послідовність однакових робочих циклів, кожен з яких включає час роботи при постійному навантаженні і час без харчування і спокою. Внесок у підвищення температури в початковій фазі незначний.
рівень захисту IP54
- захист від доступу до незахищених частин за допомогою дроту. Захист від пилу.
- захист пристрою від бризок води з усіх боків.
стандарт CE, ISO 9001: 2000
