01 0292 - Шланг інтеркулера Audi Q7 VW TOUAREG

01 0292 - Шланг інтеркулера Audi Q7 VW TOUAREG

Що Ви шукаєте?

01 0292 - Шланг інтеркулера Audi Q7 VW TOUAREG

В наявності
Код товару:
13147203201
3070,00 грн
Основні параметри
Докладніше
Стан Новий
Номер за каталогом PP 01 0292 PRZEWÓ RURA WĄŻ INTERCOOLERA AUDI Q7 VW TOUAREG 3.0 TDI 7L6145738A
Номери замінних деталей 7L6145738A,
Оригінальний номер деталі 7L6145738A,
Опис
шланг турбо інтеркулера AUDI Q7 VOLKSWAGEN TOUAREG 3.0

переваги кабелю:

✅ новий

✅ виготовлений з гумової сумішіNBR-CR

✅ посилений кевларовим волокном

✅ оригінальний роз'єм HENN

✅ оригінальний роз'єм Henn

✅ товщина стінки ок 5 мм

✅  стійкий до контакту з маслом і високим тиском

якщо ви не впевнені, що кабель підходить для вашого автомобіля, ми допоможемо Вам у виборі.

застосування:

AUDI

  • Q7 3.0 TDI quattro від 2006-2015

VOLKSWAGEN

  • TOUAREG (7LA, 7L6, 7L7) 3.0 V6 TDI від 2004-2010
  • Touareg(7LA, 7L6, 7L7) 3.0 TDI від 2006-2010
  • Touareg (7P5, 7P6) 3.0 V6 TDI від 2010-2018

OE номери:

  • 7L6145738A
  • < /ul>

розміри:

<вулик>
  • внутрішній діаметр дроту: 44 мм
  • внутрішній діаметр фітинга: 47 мм
  • товщина стінки: + / - 5 мм
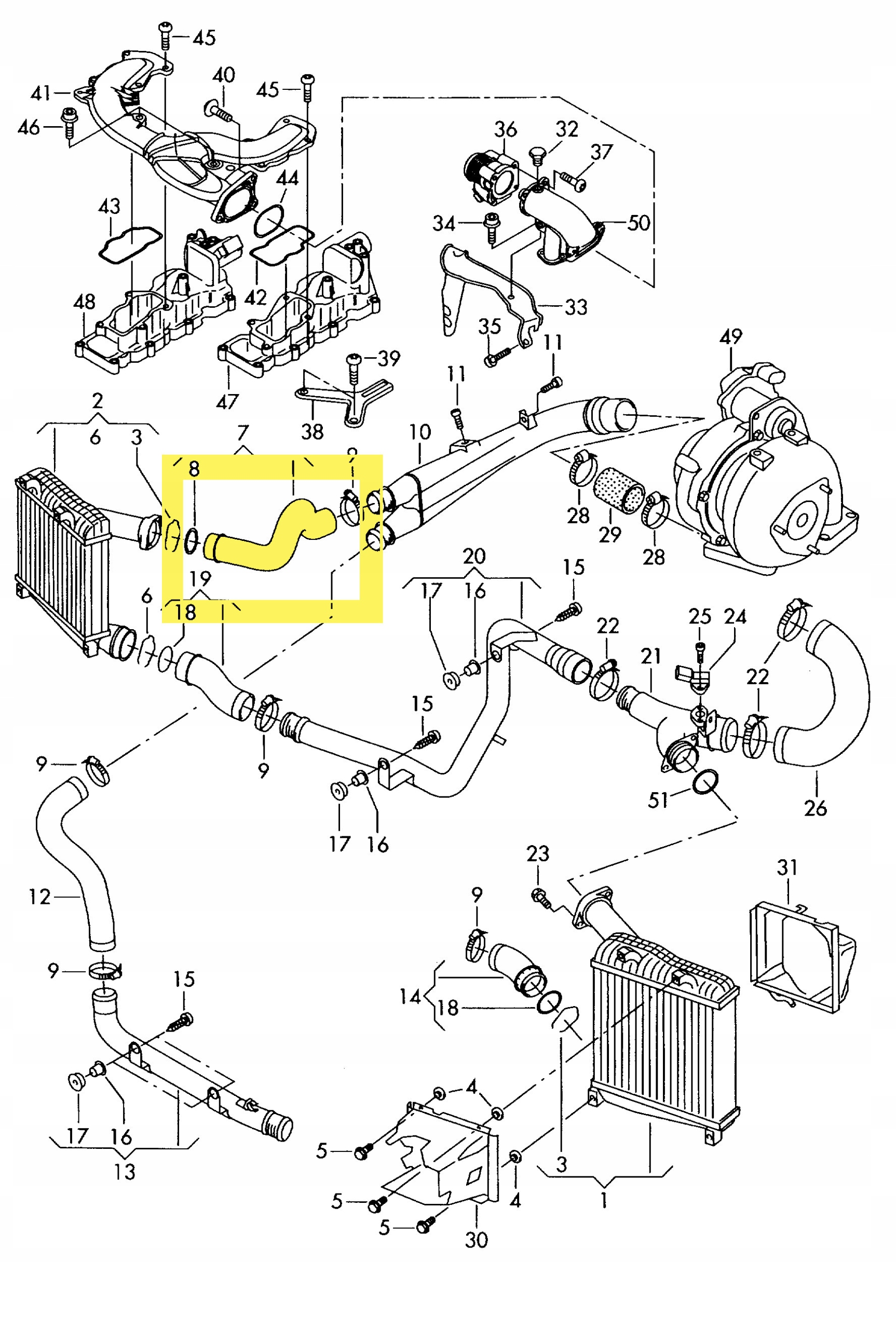
  • дріт підключається до правого интеркулеру у верхній частині.

    (позначено жовтою рамкою на схемі)

    Scroll To Top