Набір для очищення від пилу / DFM

Набір для очищення від пилу / DFM

Що Ви шукаєте?

Набір для очищення від пилу / DFM

В наявності
Код товару:
13290839693
117694,00 грн
Основні параметри
Докладніше
Стан Новий
Марк інше (TestAbn)
Код виробника DFM
Тип різні
Ємність 15 років
Опис

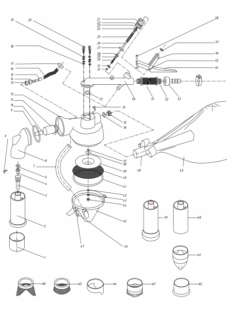
легкий портативний прилад для очищення поверхні з повним відновленням миючого засобу в замкнутому контурі. Під час очищення робоче середовище (дріб) залишається в контейнері. Змінні наконечники для плоских поверхонь, внутрішніх і зовнішніх кутів гарантують, що область робочої поверхні буде точно перебувати під головкою.

специфікація:

  • тиск повітря:7bar
  • витрата повітря:3 м3/хв(при тиску 0,7 МПа)
  • ефективність роботи:2~5 м2/год
  • ширина струменя:32 мм
  • обсяг (абразив/кг): 2 кг
  • власний вага: 3 кг

важливе попередження для безпеки при очищенні: < / P > < ul >

  • оператор пристрою і особи, що знаходяться в межах 15 метрів, повинні носити захисні окуляри для безпеки
  • переконайтеся, що немає небезпеки отруєння токсичними речовинами
  • не використовувати несправне або пошкоджене обладнання
  • наконечник під час роботи звертайте увагу на поверхню, що очищається
  • використовувати тільки дріб, спеціально призначену для цієї мети
  • працівники, позбавлені захисту, повинні знаходитися далеко від місця очищення
  • перед початком роботи оглянути захисний одяг та аксесуари
  • використовувати тільки (відповідні) оригінальні запасні частини
  • принцип роботи:

    при повністю відкритому подвійному клапані стиснене повітря, що надходить у пристрій, поділяється на два потоки. Перша струмінь проходить через видувне сопло. Вакуум, який використовується для подачі дробу через матеріальний шланг в робоче сопло, створюється інжектором видувного сопла робочого сопла. Поданий таким чином в робочу насадку абразив розподіляється в потоці стисненого повітря, утворюючи чистячий струмінь.

    другий потік проходить через верхній провід від пристрою. Він необхідний для видалення і очищення використовуваного абразиву в замкнутому контурі. Область навколо внутрішньої частини очищувального наконечника являє собою зону негативного тиску. Дріб і пил переносяться в зовнішню частину наконечником в замкнутому контурі. Сміття та пил переносяться з основного контейнера в контейнер для пилу.

    Scroll To Top