OF фільтр 3/8 MIDI тримачі підготовки повітря

OF фільтр 3/8 MIDI тримачі підготовки повітря

Що Ви шукаєте?

OF фільтр 3/8 MIDI тримачі підготовки повітря

В наявності
Код товару:
14357676836
4024,00 грн
Основні параметри
Докладніше
Стан Новий
Опис
Filtr OF 3/8 MIDI przygotowanie powietrza uchwyty

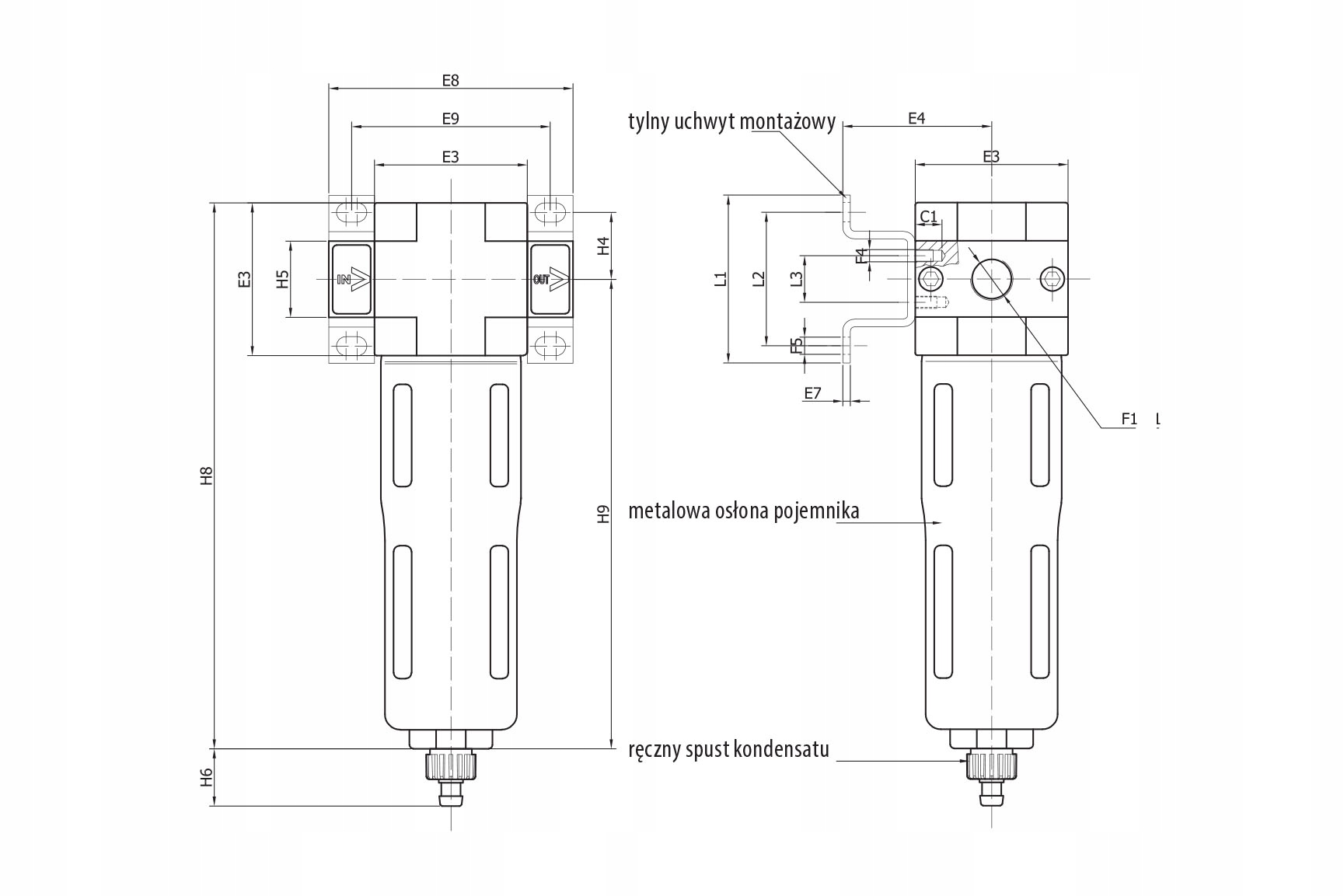
OF 3/8'' MIDI повітряний фільтр - підготовка повітря

Цей фільтр є важливим елементом пневматичної установки. Застосовується для очищення стисненого повітря від твердих і рідких домішок. Використання фільтра RQS OF MIDI 3/8'' запобігає пошкодженню компонентів системи, корозії та впливає на якість лакофарбового покриття при фарбуванні пістолетом. Конденсат осідає в нижній ємності і може бути видалений вручну (напівавтоматично або автоматично за допомогою відповідної ємності фільтра).

  • діапазон температур [°C]: від 0 до +60°C
  • діапазон вхідного тиску [бар]: 0-16
  • максимальна швидкість потоку [л/хв. ] : 2700
  • точність фільтрації: 40 мкм
  • монтажні кронштейни в комплекті
Filtr OF 3/8 MIDI przygotowanie powietrza uchwyty Marka RQS
Filtr OF 3/8 MIDI przygotowanie powietrza uchwyty Waga produktu z opakowaniem jednostkowym 0.5 kg
Filtr OF 3/8 MIDI przygotowanie powietrza uchwyty
Scroll To Top