Зовнішній Аналоговий мікрометр MMZb-C 275-300 мм

Зовнішній Аналоговий мікрометр MMZb-C 275-300 мм

Що Ви шукаєте?

Зовнішній Аналоговий мікрометр MMZb-C 275-300 мм

В наявності
Код товару:
11562926457
7528,00 грн
Основні параметри
Докладніше
Стан Новий
Опис
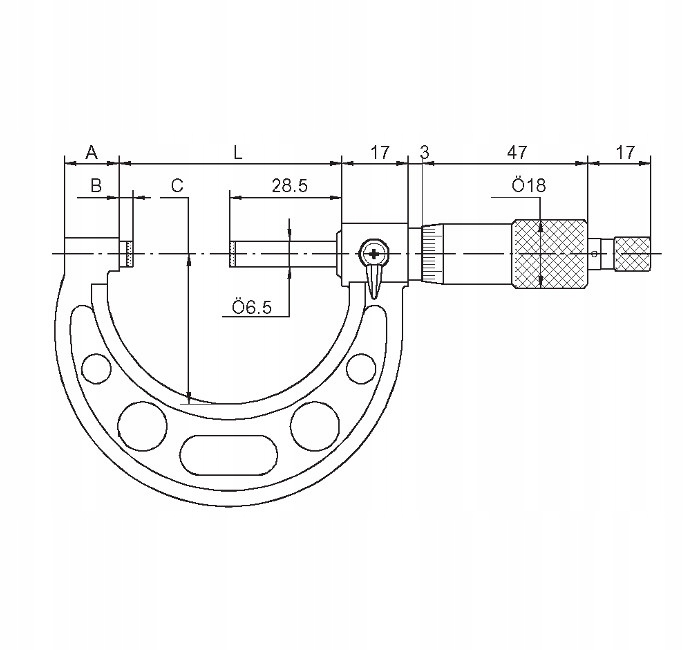
зовнішній Аналоговий мікрометр MMZb - c 275-300 mm

GIMEX 304.419

<вулик>
  • твердосплавні вимірювальні поверхні
  • з покриттям, хромована шкала
  • порожній шпиндель; 6,5 мм
  • Крок різьби 0,5 мм
  • з храповим механізмом
  • шкала 0.01 мм
  • точність РГ. DIN 863
  • з перевіркою
  • в упаковці / коробці
  • ТЕХНІЧНІ характеристики:

    <вулик>
  • діапазон 275-300 мм
  • A-19,4 мм
  • B-5,5 мм
  • C-168 мм
  • L - 410 мм
  • пропозиція № xSale 11562926457

    Scroll To Top