MERCEDES W124 Обслуговування ремонт E 200 230 керівництво

MERCEDES W124 Обслуговування ремонт E 200 230 керівництво

Що Ви шукаєте?

MERCEDES W124 Обслуговування ремонт E 200 230 керівництво

В наявності
Код товару:
12754826918
3070,00 грн
Основні параметри
Докладніше
Стан Новий
Опис

багато ілюстроване керівництво по ремонту та експлуатації автомобілів:

MERCEDES – BENZ 124 - ї серії

у книзі наводяться описи ремонту і регулювання окремих вузлів автомобілів Mercedes-Benz 124-ї серії моделі 200, оснащеної чотирициліндровим бензиновим двигуном об'ємом 1996 см3 і потужністю 80 кВт, 77 кВт, 75 кВт і 72 кВт;

  • моделі 200 E, оснащеної 1996 см3 і потужністю 90 кВт і 87 кВт;
  • моделі 230 E, оснащеної бензиновим чотирициліндровим двигуном об'ємом 2298 см3 і потужністю 100 до, 97 кВт і 94 кВт;
  • моделі 200 D, оснащеної чотирициліндровим дизельним двигуном (тип 601) об'ємом 1997 см3 і потужністю 55 кВт;
  • моделі 250 d, оснащеної дизельним двигуном 602) об'ємом 2497 см3 і потужністю 69 кВт (без каталізатора) або потужністю 66 кВт (з каталізатором);
  • моделі 300 D, оснащеної шестициліндровим дизельним двигуном (тип 603) об'ємом 2996 см3 і потужністю 83 кВт (без каталізатора) або потужністю 81 кВт (з каталізатором);

книга доповнена докладними технічними даними, таблицею рекомендованих моменти затягування і електричні схеми.

видавництво: авто < / P >

сторінок: 300

формат: 20,5 см X 28,5 см

книга польською мовою

зміст:

1. Введення

опис автомобіля

ідентифікаційні дані

ТЕХНІЧНІ характеристики

моменти затягування

    <Чи>

    дизельні двигуни типу 601/602/603

    2.1. Демонтаж двигуна

    зняття двигуна

    установка двигуна

    2.2. Знесення та складання двигуна

    2.3. Головка

    зняття і установка головки

    знесення головки

    перевірка головки

    2.4. Кришка приводу ГРМ

    зняття і установка кришки

    2.5. Поршні і шатуни

    зняття поршнів і шатунів

    вимірювання гільзи циліндра

    перевірка поршнів і шатунів

    вимірювання зазору шатуна

    монтаж поршнів з шатунами

    установка поршнів з шатунами в циліндри

    2.6. Корпус двигуна

    вимірювання фюзеляжу

    2.7. Колінчастий вал і маховик

    зняття колінчастого вала

    перевірка деталей

    установка колінчастого вала

    Заміна маховика або приводного диска

    Заміна шківа колінчастого вала

    заміна заднього ущільнювача колінчастого вала

    заміна переднього ущільнювача колінчастого вала

    2.8. Терміни

    зняття і установка натяжителя ланцюга

    зняття і установка ланцюга ГРМ

    зняття і установка направляючої натяжителя ланцюга

    зняття і установка напрямних ланцюга

    зняття і установка коліс колінчастого вала

    зняття і установка розподільного вала

    налаштування часу

    робота гідравлічних штовхачів

    2.9. Підвіска двигуна

    заміна передньої підвіски двигуна

    заміна задньої підвіски двигуна і гумових опор

    2.10. Вихлопна система

    2.11. Система змащення

    зняття і установка масляного насоса

    зняття і установка масляного піддону

    заміна масляного фільтра

    Заміна масла

    2.12. Система охолодження

    спорожнення і наповнення системи охолодження

    перевірка кришки розширювального бачка і радіатора

    зняття і установка радіатора

    зняття і установка електромагнітної муфти

    зняття і установка віскозної муфти вентилятора

    зняття і установка водяного насоса

    натяг клинового ременя приводу водяного насоса

    заміна та перевірка термостата

    опалення та вентиляція

    2.13. Система живлення

    зняття і установка ТНВД

    перевірка початку вприскування

    зняття і установка форсунок і форсунок

    ремонт форсунок

    очищення розпилювачів

    перевірка розпилювачів

    перевірка потоку

    перевірка "хрипоти"

    перевірка відкриття та тиску вприскування

    перевірка герметичності інжектора

    робота свічок розжарювання

    зняття і установка свічки розжарювання

    перевірка свічок розжарювання

    регулювання швидкості холостого ходу

    регулювання положення педалі акселератора

    пневматичний контроль холостого ходу

    Заміна повітряного фільтра

    електронне регулювання холостого ходу

    зняття паливного насоса

    Заміна паливного фільтра

    вимкнення двигуна

    підігрів палива

    <Чи>

    Трансмісія

    3.1. Зчеплення

    зняття зчеплення

    ремонт зчеплення

    муфта в зборі

    Заміна вижимного підшипника і вижимної вилки

    перевірка зносу диска зчеплення

    зняття і установка насоса зчеплення

    зняття і установка приводу

    вентиляція гідравлічної системи

    3.2. 4-ступінчаста коробка передач

    зняття та встановлення коробки передач

    знесення і складання коробки передач

    вимірювання коробки передач

    3.3. 5-ступінчаста коробка передач

    зняття та встановлення коробки передач

    знесення і складання коробки передач

    3.4. Автоматична коробка передач

    зняття автоматичної коробки

    встановлення автоматичної коробки

    3.5. Приводний вал

    зняття і установка карданного валу

    зняття і установка проміжного підшипника

    Заміна центруючих втулок

    3.6. Передня вісь

    зняття і установка підвіски переднього колеса

    зняття і установка пружини передньої підвіски

    зняття і установка переднього амортизатора

    регулювання осьового зазору підшипників передніх коліс

    зняття і установка передньої маточини

    заміна підшипників передніх коліс

    зняття і установка кросовера

    Заміна шарніра підвіски

    зняття і установка переднього важеля управління

    зняття і установка стабілізатора

    установка передніх коліс

    3.7. Задня вісь

    зняття і установка задньої осі

    зняття і установка амортизаторів

    зняття і установка пружин

    зняття і установка стабілізатора

    зняття і установка корпусу редуктора

    зняття і установка верхньої палиці

    зняття і установка натяжного стрижня

    зняття і установка поперечної тяги

    зняття і установка реактивного стержня

    зняття і установка поперечного важеля

    зняття і установка приводних півосей

    зняття і установка маточин і підшипників коліс

    установка задніх коліс

    регулювання рівня підлоги кузова

    <Чи>

    Рульове управління

    4.1. Рульовий механізм

    4.2. Рамі і кермові тяги

    зняття і установка важеля рульового колеса

    зняття і установка проміжного важеля

    Заміна поперечних стрижнів (праворуч і ліворуч)

    Заміна поперечної (центральної) штанги

    Заміна пилозахисного чохла

    4.3. Рульове колесо і рульова колонка

    зняття і установка рульового колеса

    зняття і установка рульової колонки

    <Чи>

    Гальмівна система

    5.1. Дискові гальма передніх коліс

    Заміна гальмівних колодок

    зняття і установка затиску

    демонтаж і складання затиску

    5.2. Дискові гальма задніх коліс

    Заміна гальмівних колодок

    зняття і установка затиску

    демонтаж і складання затиску

    5.3. Гальмівні диски

    5.4. Головний гальмівний циліндр

    зняття та встановлення головного циліндра

    5.5. Аварійне гальмо

    зняття та встановлення гальмівних колодок аварійного гальма

    регулювання аварійного гальма

    заміна переднього троса аварійного гальма

    заміна заднього троса аварійного гальма

    5.6. Допоміжний механізм

    5.7. Вентиляція гальмівної системи

    5.8. Пристрій ABS

    5.9. Вакуумний НАСОС

    <Чи>

    бензинові двигуни типу 102

    6.1. Демонтаж двигуна

    зняття двигуна

    установка двигуна

    6.2. Знесення та складання двигуна

    6.3. Головка

    зняття і установка головки

    знесення головки

    перевірка головки

    6.4. Кришка приводу ГРМ

    зняття і установка кришки

    6.5. Поршні і шатуни

    зняття поршнів і шатунів

    вимірювання гільзи циліндра

    перевірка поршнів і шатунів

    монтаж поршнів з шатунами

    установка поршнів з шатунами в циліндри

    6.6. Корпус двигуна

    6.7. Колінчастий вал і маховик

    зняття і установка колінчастого вала

    Заміна маховика або приводного диска

    Заміна шківа і демпфера вібрації

    заміна заднього ущільнювача колінчастого вала

    заміна переднього ущільнювача колінчастого вала

    6.8. Терміни

    зняття і установка натяжителя ланцюга

    зняття і установка ланцюга ГРМ

    зняття і установка направляючої натягу ланцюга

    зняття і установка напрямних ланцюга

    зняття і установка проміжного валу

    зняття і установка розподільного вала

    зняття і установка коліс колінчастого вала

    робота гідравлічних штовхачів

    6.9. Підвіска двигуна

    заміна передньої підвіски двигуна

    заміна задньої підвіски двигуна і гумових опор

    6.10. Вихлопна система

    6.11. Система змащення

    зняття і установка масляного насоса

    зняття і установка масляного піддону

    заміна масляного фільтра

    6.12. Система охолодження

    спорожнення і наповнення системи охолодження

    перевірка кришки розширювального бачка і радіатора

    зняття і установка радіатора

    зняття і установка електромагнітної муфти

    зняття і установка водяного насоса

    натяг клинового ременя приводу водяного насоса

    заміна та перевірка термостата

    опалення та вентиляція

    6.13. Карбюратор STROMBERG

    зняття і установка карбюратора

    управління і регулювання карбюратора

    Заміна повітряного фільтра

    зняття і установка всмоктуючого колектора

    зняття і установка випускного колектора

    6.14. Карбюратор PIERBURG 2EE

    зняття і установка карбюратора

    ремонт карбюратора

    6.15. Впорскування KE-JETRONIC

    робота системи

    регулювання холостого ходу

    6.16. Запалювання

    перевірка і регулювання випередження запалювання

    зняття і установка розподільника запалювання

    Заміна свічок запалювання

    <Чи>

    електропроводка

    7.1. Акумулятор

    7.2. Генератор

    перевірка генератора в автомобілі

    зняття і установка генератора

    ремонт генератора

    7.3. Стартер

    перевірка стартера

    зняття і установка стартера

    7.4. Фара

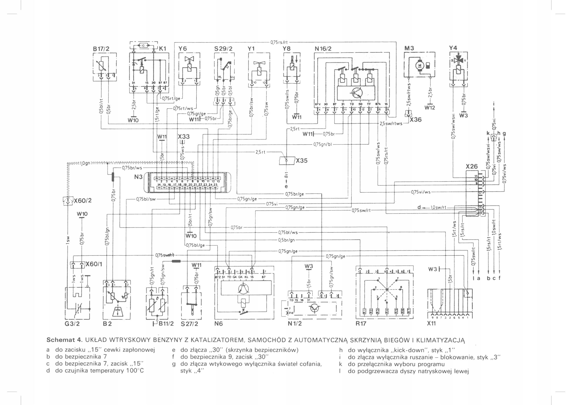
    7.5. Електричні схеми

Scroll To Top