ім'я < /B>:
гідравлічний орбітальний двигун SMV800 800CM3 / RP
опис < /B>:
- номер деталі KSMV8004ADGP1
- технічні характеристики-Висока осьова і радіальна навантаження на вісь і високий момент затягування-Тихий пробіг при низьких оборотах
- переваги-хороше співвідношення ціни і якості-невелике зниження продуктивності
- застосування-Можливість застосування скрізь, де потрібен високий крутний момент і низька швидкість обертання - також підходить для безперервної зміни напрямку обертання - підходить для безперервного застосування при високих навантаженнях
- властивості-роликова конструкція-роликовий конічний Підшипник-з серії великих орбітальних двигунів - зі зливом масла витоку-стабільна конструкція-дуже хороші характеристики запуску
- одиниця мистецтва
- з'єднання 1 "BSP, Leakage 1/4"
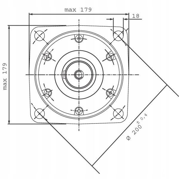
- Ø валів (мм) (мм) 50
- прокладка SMV9AFDGP
- продуктивність штампування (см3 / об .) 801
- L (мм) 255
- L1 (мм) 58
- L2 (мм) 199,5
- Nmax (об./ хв) 250
- н хв. (Rpm) 5
- P1 (бар) 160
- P2 (бар) 180
- P3 (бар) 210
- потужність (кВт) 33 вулик>
виробник < /B>: Заміна
