ім'я < /B>:
гідравлічний орбітальний двигун SMH500 32 мм 6,5 кВт
опис < /B>:
- номер деталі KSMH5004BDGP1
- технічні характеристики-Висока осьова і радіальна навантаження на вісь і високий момент затягування-невеликий знос
- переваги-хороше співвідношення ціни і якості-тривалий термін служби
- застосування-Можливість застосування скрізь, де потрібен високий крутний момент і низька швидкість обертання - також підходить для безперервної зміни напрямку обертання - можливість безперервного застосування при високому тиску
- властивості-роликова конструкція - широкий підшипник ковзання вала-із серії орбітальних двигунів середнього розміру - з витоком масла-компактна і дуже міцна конструкція
- одиниця мистецтва
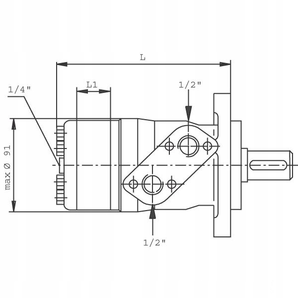
- з'єднання 1/2 "BSP; масло витоку 1/4" BSP
- типи фланців фланець з 4 отворами (SAE a)
- Ø валів (мм) 32
- увага двигуни оснащені з'єднанням для витоку масла, тому їх можна без проблем з'єднати з іншими двигунами або використовувати в закритих гідравлічних системах.P1 = макс. постійний тиск2 = переривчаста робота макс. 10% / хвп3 = макс. вершина графіка тиску
- продуктивність штампування (см3 / об .) 489,2
- L (- мм) 206
- L1 (- мм) 65
- P1 (бар) 155
- P2 (- bar) 190
- P3 (- bar) 210
- Nmax (об./ хв) 155
- н хв. (- Rpm) 10
- крутний момент (так Нм) 83
- Q Макс. (л / хв) 75
- потужність (кВт) 6,5 вулик>
виробник < /B>: Заміна
