MAGNUM PUMP 7.5KW COMPRESSOR компресор 1085 л/хв

MAGNUM PUMP 7.5KW COMPRESSOR компресор 1085 л/хв

Що Ви шукаєте?

MAGNUM PUMP 7.5KW COMPRESSOR компресор 1085 л/хв

В наявності
Код товару:
11346936119
38947,00 грн
Основні параметри
Докладніше
Стан Новий
Опис

Професійний компресорний насос MAGNUM LB 75-5.5

Професійний компресорний насос для промислових і майстерень. Всі елементи виготовлені з чавуну, що забезпечує високу міцність і довговічність. Надійно зроблено, з максимальною увагою до деталей. Насос має оглядове скло для масла , за допомогою якого можна перевірити його стан. Насос має широкий діапазон робочих обертів, що робить його сумісним з електродвигунами різної потужності.

Рекомендована потужність двигуна для цього насоса має бути в діапазоні від 5,5 до 7,5 кВт .

Оберти вала насоса мають бути від 800 до 1200 об/хв.

Компресор рекомендується для резервуарів об'ємом не більше 500 літрів.

MAGNUM POMPA 7,5KW SPRĘŻARKA kompresor 1085 L/MIN Moc (kW) 7.5 kW

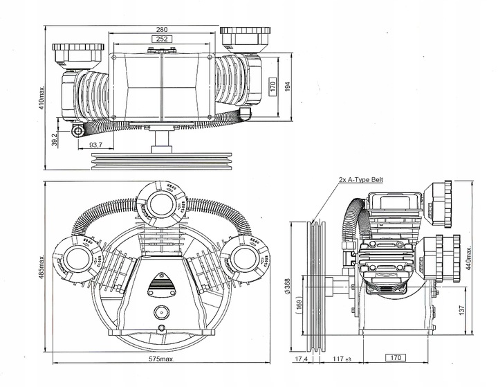
РОЗМІРИ:

  • діаметр шківа: 368 мм
  • відстань між отворами: 170 x 252 мм
  • висота насоса : 440 мм
  • висота зі шківом: 485 мм

ТЕХНІЧНІ ДАНІ ПРИ ПОТУЖНОСТІ 7500 Вт:

  • потужність двигуна: 7,5 кВт
  • оберти двигуна: 2480 об/хв
  • оберти насоса: 1200 об/хв
  • шків двигуна: 158 мм
  • теоретична продуктивність: 1085 л/хв
  • максимальний тиск: 10 бар
MAGNUM POMPA 7,5KW SPRĘŻARKA kompresor 1085 L/MIN Zasilanie sieciowe
MAGNUM POMPA 7,5KW SPRĘŻARKA kompresor 1085 L/MIN

ТЕХНІЧНІ ДАНІ ПРИ ПОТУЖНОСТІ 5500 Вт:

  • потужність двигуна: 5,5 кВт
  • оберти двигуна: 2480 об/хв
  • оберти насоса: 800 об/хв
  • шків двигуна: 105 мм
  • теоретична продуктивність: 723 л/хв
  • максимальний тиск: 10 бар
Scroll To Top