1

1" 36 мм длинный ударный колпачок

Що Ви шукаєте?

1" 36 мм длинный ударный колпачок

В наявності
Код товару:
9951151010
3237,00 грн
Основні параметри
Докладніше
Стан Новий
Опис
NASADKA DLUGA UDAROWA 1 36mm
Насадка 1" длинная 36мм ударная  6-уголKING TONY 843536MНасадка 6-kątna, короткая ударная  1" King Tony
  • Насадка длинная ударная 1" King Tony
  • Насадка 32
  • общей длиной 90мм
  • 6-kątna из нержавеющей хром-молибденовых

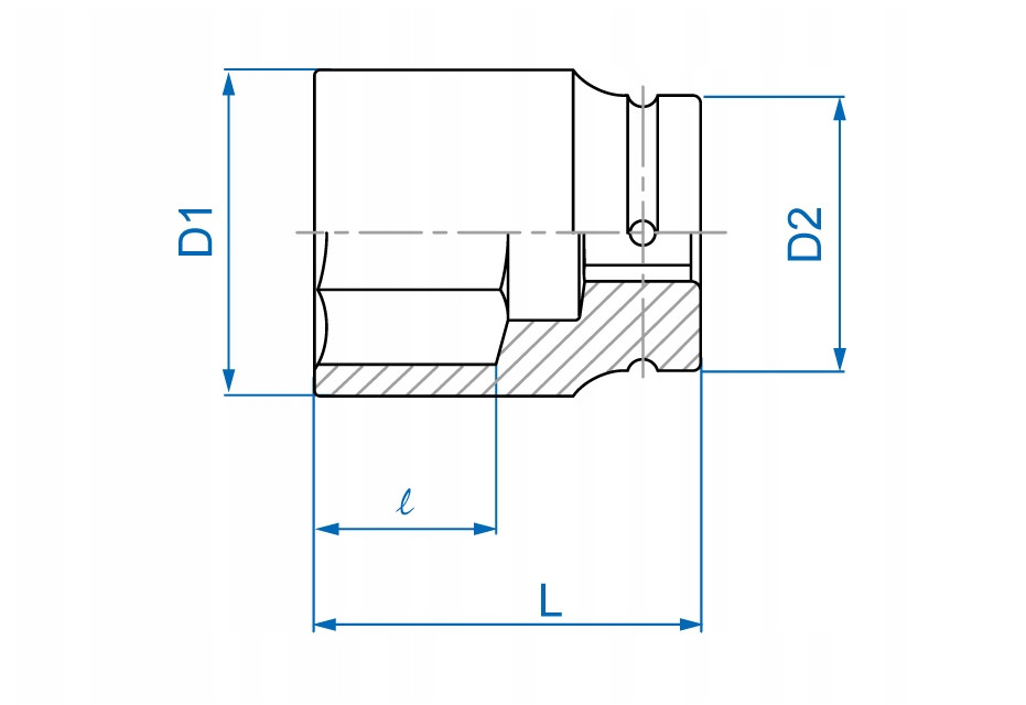
технические характеристики:

  • D1 = 52мм
  • D2 = 54 мм
  • L = 92мм
  • l = 28mm

Применение:

  • мастер-классы автомобилей (автомобили ciężarowe)
  • wulkanizację
  • przemysł
  • produkcja
  • demontaż
  • фермы частное,сельскохозяйственные
NASADKA DLUGA UDAROWA 1 36mm Producent code KT843536
Scroll To Top