3017623043367162
ціна брутто за голку pom M2.5, показану на другому зображенні в галереї
зонд і інші аксесуари, які доступні на іншому нашому аукціоні
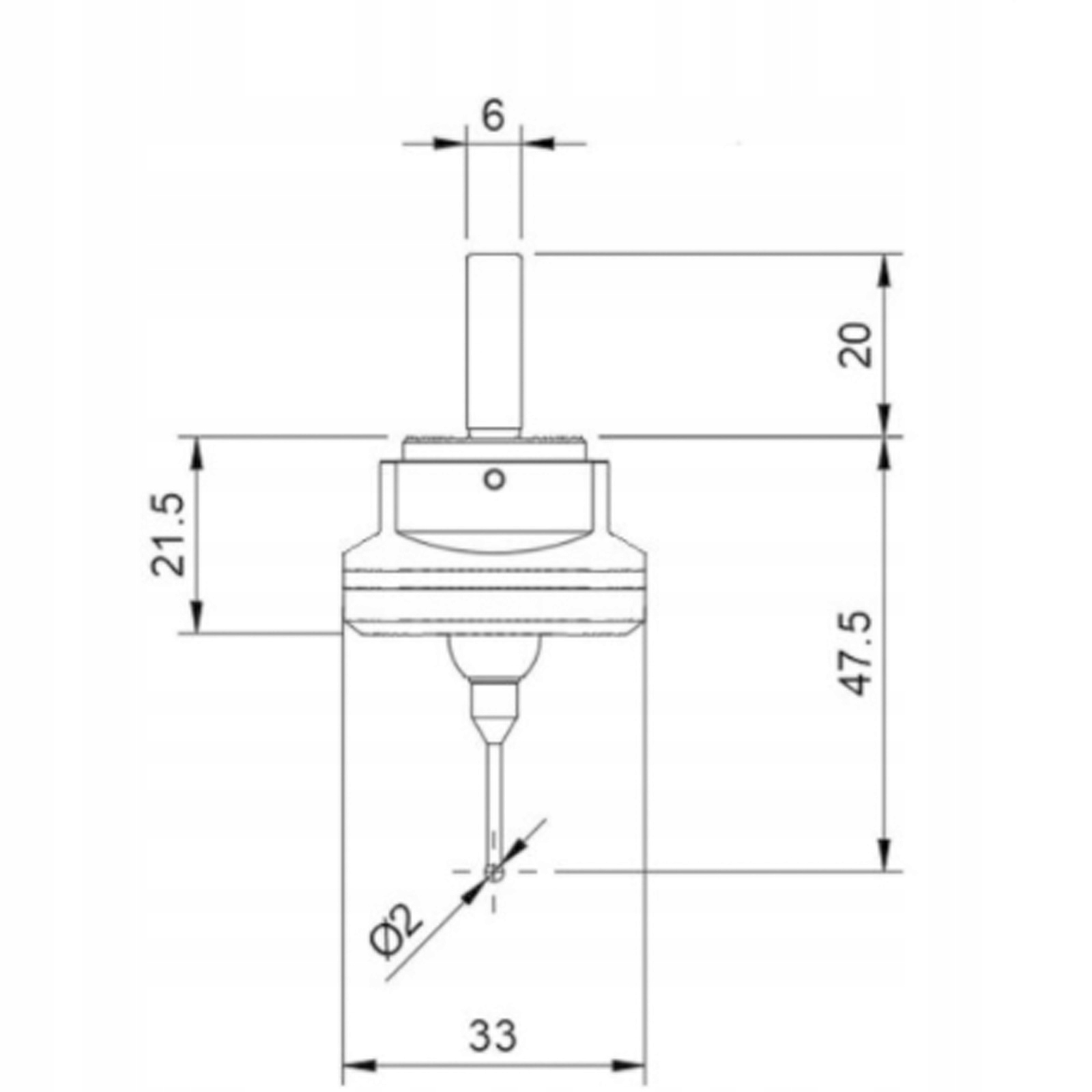
новітній V6 Anti-roll 3D Touch Edge Finder знаходить центр стаціонарного датчика з ЧПУ, сумісного з mach3 і grblтривимірний зонд може здійснювати швидке центрування, форми та інші функції шляхом підключення ЧПУ до краю ножа, що значно вирішує проблему позиціонування заготовки під час другого затиску під час процесу обробки.
оболонка виготовлена з тонкого матового чорного окисленого алюмінієвого сплаву з плоскою поверхнею.
адаптується до різних панелей керування, таких як Панель керування grbl та Mach3
ви запитуєте та відповідаєте:
1.
хочете включити швидкість шпинделя?
ніколи, ніколи, ніколи.
Не смійтеся, є такі користувачі.
2.
як відрізнити три дроти?
червоний провід - VCC, чорний-GND, а білий-IO.
3.
чому концентричність відрізняється кожного разу, коли зонд встановлений?
тому що пружинний затискач ER не може гарантувати 100% прямолінійність. Кожен раз, коли зонд встановлений, навіть якщо концентричність відрегульована до 1 дроту, все одно будуть відхилення, коли зонд буде видалений і встановлений знову. Таким чином, ваша ручка найкраще купити AAA і вище точності (концентричність & lt;= 0.005), оскільки багато ручки в Китаї мають помилкові стандарти, рекомендується використовувати прецизійний датчик або вольфрамову сталь для перевірки столу після установки ручки. Подивіться на точність обертального руху. Найкраще розмістити індикатор набору на відстані 50 мм від патрона, що приблизно дорівнює відстані між кульовою головкою нашого зонда і коренем Тримач інструменту.
4.
чому я, очевидно, ручка AAA, а концентричність все ще слабка?
це тому, що Ви купили віртуальний лейбл chuck.
У нормальних умовах, якщо шпиндель стрибає на 0,01, тримач AAA затискає фрезу і тримач інструменту столу, помилка не повинна перевищувати 0,02, а помилка не повинна перевищувати не більше 0,03. Між центральною віссю цанги і центральною віссю шпинделя буде невелике кутове відхилення, яке буде збільшено на довжину тримача інструменту. Зазвичай ви використовуєте калібрувальний вимірювач для вимірювання кореня фрези і не бачите великої помилки, але оскільки стилус зонда знаходиться приблизно в 50 мм від тримача інструменту, помилка буде збільшена ще більше. Тому слід вибирати оригінальні, точні ручки, які не більше ніж різниця в ціні в десятки доларів.е>
