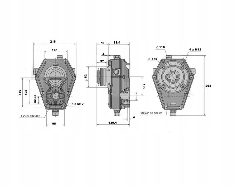
мультиплікатор наноситься на вал ВВП 1,3 / 8" DIN9611 за допомогою засувки. Ми відправляємо шестерню разом з втулкою, показаної на фото зліва, яка дозволяє підключити мультиплікатор до насоса. Продукт не заливається маслом.
ідеально підходить для приводу гідравлічних насосів в лісовій, будівельній техніці і багатьох тракторах, таких як, наприклад, Урсуси, Зетори, MF і багато інших, оснащені валом ВВП.е>
