тип 60004-6 (малий)
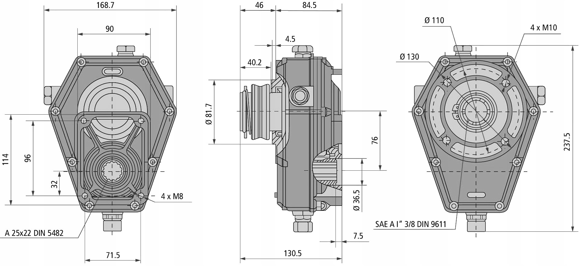
редуктор вала реле потужності з профільованою втулкою 1 3/8" 6 шт. Трансмісія поставляється з втулкою зчеплення (група 2), але без масла.
ідеально підходить для приводу гідравлічних насосів в лісовому, будівельному і багатьох тракторах, включаючи C-330, C-360, C-385, ZETOR, MF та інші, що мають вихід ВВП.
редуктор встановлюється на вал ВВП 1,3 / 8" DIN9611 за допомогою засувки, це рішення призводить до того, що його можна досить швидко встановити або розібрати, якщо виявиться, що нам потрібен ВВП для підключення валу реле від іншої машини.
Трансмісія ідеально підходить для приводу гідравлічних насосів групи 2 (20) з фланцем європейського типу.
[0198]
