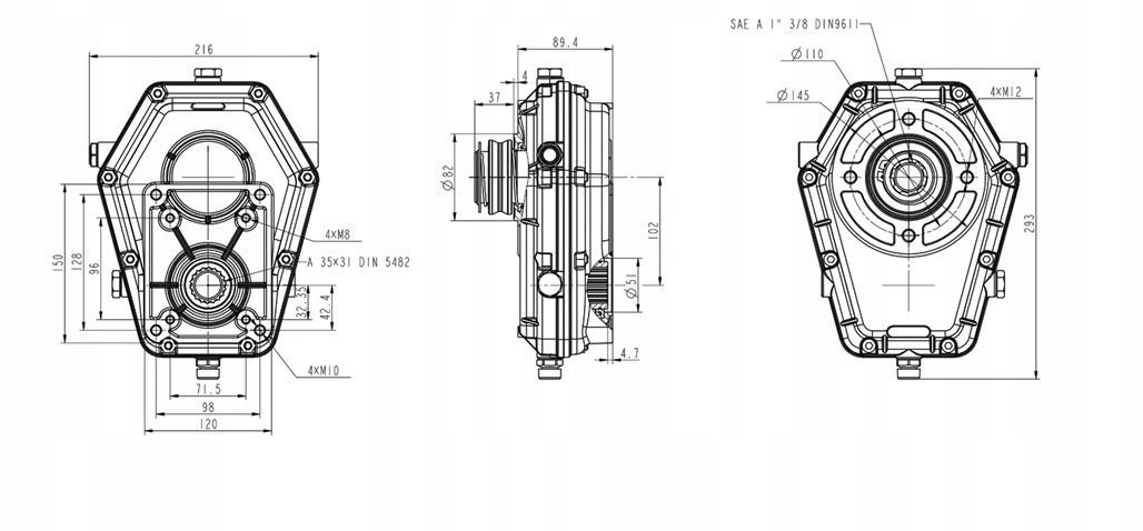
Склад комплекту:
- мультиплікатор 1: 3.8
- шестерний насос 46 см3
- сполучна муфта
застосування:
має широке застосування в гідравлічних системах в сільському господарстві, садівництві, лісовому господарстві, будівництві і я подумаю.
потужний і ефективний комплект, ідеально підходить для невеликих і середніх лісових машин, будівельних машин і тракторів, включаючи C-330, C-360, C-385, ZETOR, MF та інші, що мають привід з валом PTO.
використовується скрізь, де оригінальний гідравлічний насос, встановлений в машині, недостатньо потужний і ефективний, або де потрібна додаткова Нова гідравлічна система, необхідна для управління новим встановленим обладнанням.
технічні характеристики комплекту:
шестерня встановлюється на вал ВВП за допомогою засувки, це рішення призводить до того, що її можна досить швидко встановити або розібрати, якщо виявиться, що нам потрібен вом для іншої машини.е>
