EAN
8052461090092
застосування
гідравлічний циліндр
властивості
- підлягає обов'язковому технічному обслуговуванню
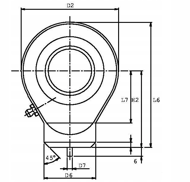
- циліндричний зварювальний наконечник
- центруючий штифт зі зварювальної кромкою 45° на кінці
- ковзне з'єднання сталь-сталь
d діаметр отвору
40 мм
b довжина отвору
28 мм
d діаметр підшипника
62 мм
D1 зовнішній діаметр внутрішньої частини
45 мм
кут краю
7 °
D7 діаметр центрального штифта
4 мм
L7 відстань від валу до центру
48 мм
діаметр валу
52 мм
h2 відстань від центра отвору до дна
69 мм
зовнішній діаметр головки
92 мм
C1 ширина головки (довжина отвору)
23 мм
матеріал
кована сталь
застосування
поршневий шток
стандарт
din 648
