гідравлічний циліндр подвійної дії
в комплекті з запобіжним клапаном "замок"
виробництво:
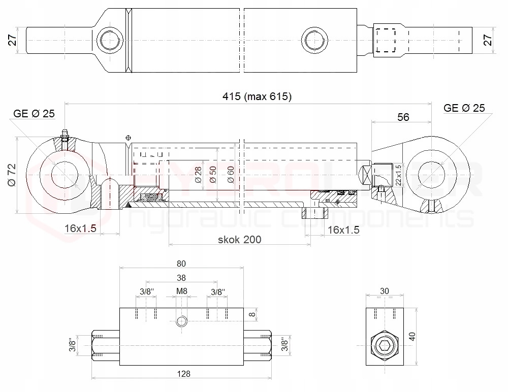
оригінальний продукт марки Hydrolider, символ виробника: 1.33.00.210; CJ2F 50/28/200 U25
застосування приводу:
має широке застосування в гідравлічних системах сільського господарства, садівництва, лісового господарства, будівництва та широкої промисловості.
привід підходить для різних видів сільськогосподарської техніки, таких як: захоплення тюків, Крокодили, повороти, а також снігоочисники, обприскувачі, циклопи, навантажувачі HDS, будівельна техніка, навантажувачі, екскаватори, підмітальні машини, промислові машини та інше обладнання з гідравлічним управлінням.
застосування запобіжного клапана:
запобіжний клапан (замок) використовується для блокування руху приводу в обох напрямках. Забезпечує стабілізацію положення штока поршня в той момент, коли ми не контролюємо привід, і в той же час на нього діють великі сили. Блокування клапана перестає працювати автоматично, коли ми починаємо керувати гідравлічним розподільником і відпускаємо тиск у напрямку приводу.е>
