з ФОСФАТОВАНИМ антикорозійним покриттям
виробництво:
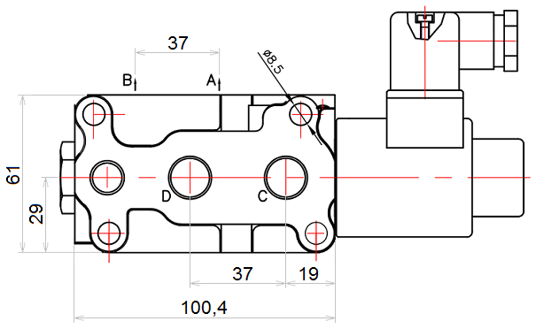
оригінальний продукт марки Badestnost, символ виробника: DVS6-6/2-24DC-G1/2; символ: 1.23.00.011
застосування:
має широке застосування в гідравлічні системи в сільському господарстві, садівництві, лісовому господарстві, будівництві та широкій промисловості.
дільник підходить для різних видів машин, таких як: сільськогосподарська техніка, трактори, обприскувачі, повороти, циклопи, навантажувачі HDS, будівельна техніка, навантажувачі, екскаватори, підмітальні машини, промислові машини та інше обладнання з гідравлічним управлінням.
ТЕХНІЧНІ характеристики:
в комплекті електрична вилка.
витрата масла системи: 0 - 50 л / хв
Приклад управління: два незалежно діючих приводу 2-го дії, керованих з однієї секції в гідравлічному розподільнику.е>
