розподільник 6 секцій, управління за допомогою важелів і JOSYTICK, витрата 40 л / хв
максимальний тиск: 250 бар
максимальна витрата: 40 л/хв
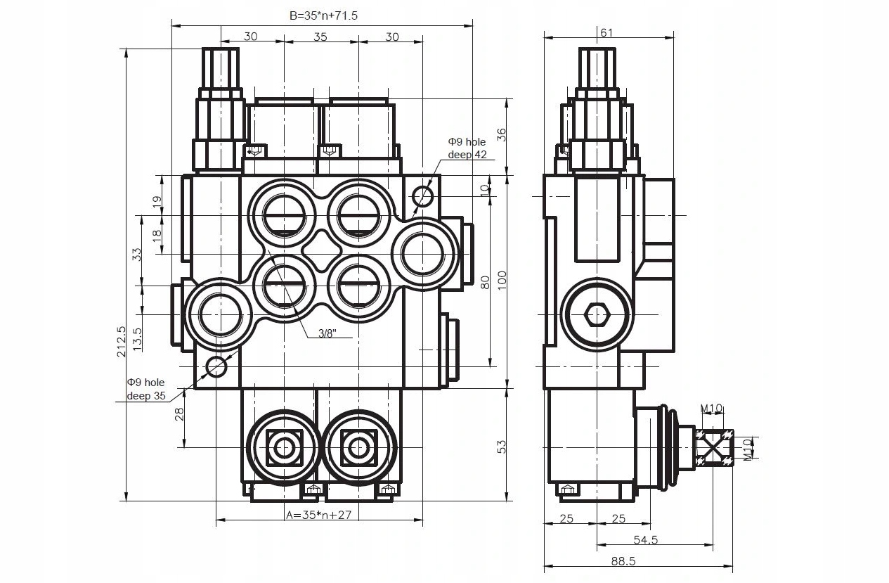
відстань між секціями: 35 мм
різьба на секції: 3/8"
живлення і повернення: 1/2"
міцна і компактна конструкція
проста установка
конструкція дозволяє послідовно підключатися до іншого спліттеру за допомогою Болти тиску
можливість самостійного регулювання положення важеля щодо розподільника
оснащений запобіжним клапаном
важелі мають три положення на пружині, тобто автоматично повертаються в нейтральне положення, відразу після того, як з них взята рука:
- положення 0 нейтральне < /B> – масло направляється назад в бак [положення, як на фото зліва].
- робоче положення 1 (вгору) - потік масла- [у випадку, наприклад, шток поршня висувається].
- робоче положення 2 (вниз) - потік масла- [у випадку, наприклад, приводу шток поршня втягується]
джойстики працюють вправо-вліво і вперед-назад. Один джойстик дозволяє управляти двома секціями.підключення:
при покупці ми включаємо схему підключення розгалужувача до упаковки.е>
