підйомник оснащений ручними запобіжними замками, призначеними для забезпечення максимальної безпеки користувача. Спрощена конструкція підйомника полегшує збірку і щоденний огляд пристрою.
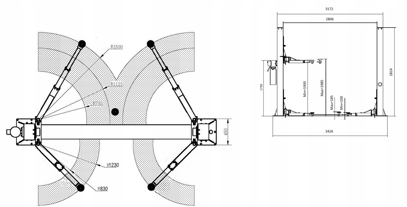
гарантом універсальності підйомника CASTEX є модернізована конструкція опорних лап, опущена точка захоплення, що дозволяє працювати з автомобілями з низькою підвіскою, а підвищувальні адаптери відмінно підходять для підйому всюдиходів і фургонів. Діапазон довжини плеча дозволяє працювати з транспортними засобами з різними відстанями опорних точок, що значно впливає на безпеку використання.
монтаж був спрощений за рахунок попередньої установки більшості елементів вже на етапі виробництва, крім того, до складу підйомника входить комплект монтажних анкерів.е>
